Instalatorze, możesz zamówić kotły Vaillant ecoTEC pro za punkty PIK!
 

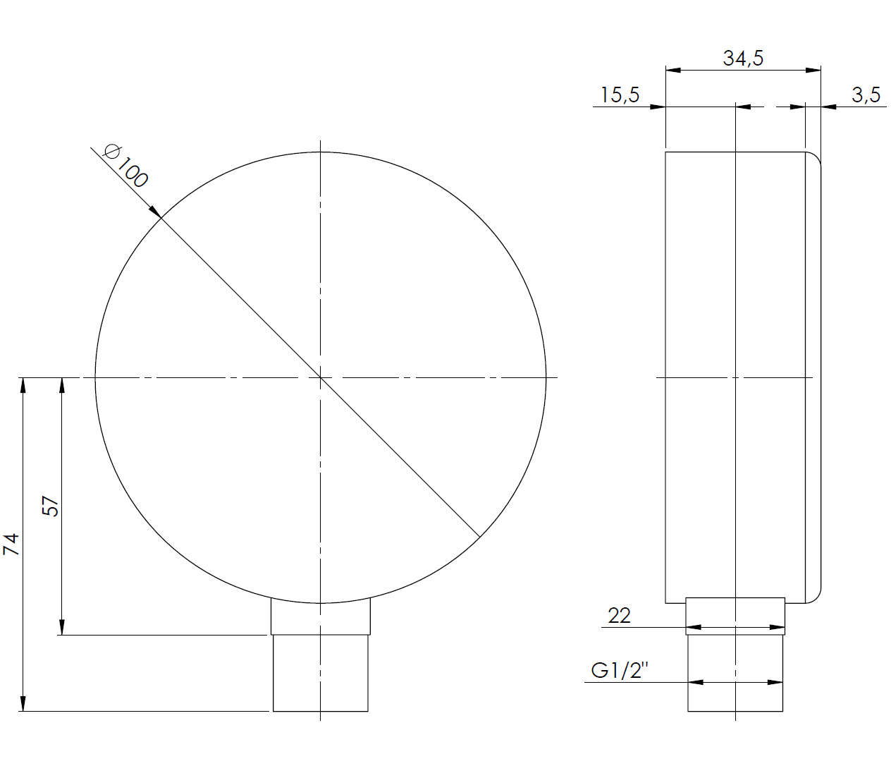
Manometr z rurką Bourdona AFRISO HY 0/0,6 bar G1/2B radialne fi 100 mm, kl. 1.6%

Kod IK

8063281

Kod EAN

4016203632814

Kod producenta

63281

Marka

AFRISO

Model

HY

Cena katalogowa netto

21,80 EUR / szt.

Cena katalogowa brutto

26,81 EUR / szt.

Przeznaczony do pomiaru ciśnienia w dowolnych miejscach w instalacji.
Przeznaczony do gazów i cieczy nielepkich, niekrystalizujących, które nie działają niszcząco na stopy miedzi.

Zastosowanie

Przyrząd do otwartych instalacji grzewczych. Wyposażony w podwójną skalę (bar i mH2O) i czerwoną przestawną wskazówkę.

Filmy

Dane techniczne

Klasa dokładności wg EN

1.6%

Miejsce połączenia

radialne

Rozmiar przyłącza procesowego

G1/2B

Zakres skali (w barach)

0/0,6

Średnica obudowy [mm]

100

Wydarzenia - AFRISO