Instalatorze, możesz zamówić kotły Vaillant ecoTEC pro za punkty PIK!
 

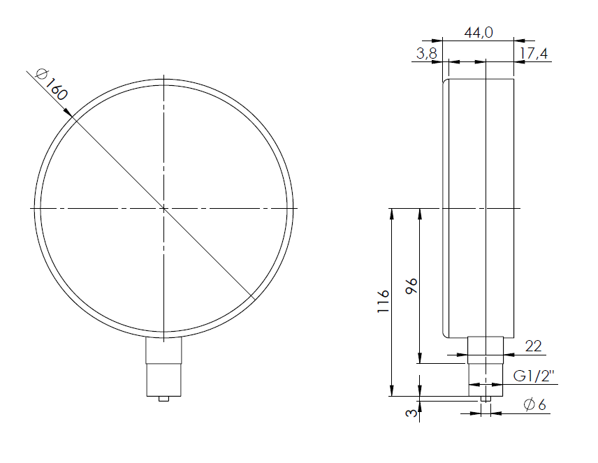
Ciśnieniomierz różnicowy AFRISO KP D401 0/160 mbar mosiądz G1/2B radialne fi 160, kl. 1.6%

Kod IK

8035170401

Kod EAN

4049827008437

Kod producenta

35170401

Marka

AFRISO

Model

KP D401

Cena katalogowa netto

Na zapytanie

Przeznaczony do pomiaru ciśnień gazów suchych, które nie działają niszcząco na stopy miedzi.

Filmy

Dane techniczne

Klasa dokładności wg EN

1.6%

Materiał przyłącza procesowego

Mosiądz

Miejsce połączenia

radialne

Rozmiar przyłącza procesowego

G1/2B

Zakres skali (w barach)

0/160 mbar

Średnica obudowy

160

Wydarzenia - AFRISO