Kupuj, montuj i zgarniaj punkty! Sprawdź aktualne akcje w Programie PIK!
 

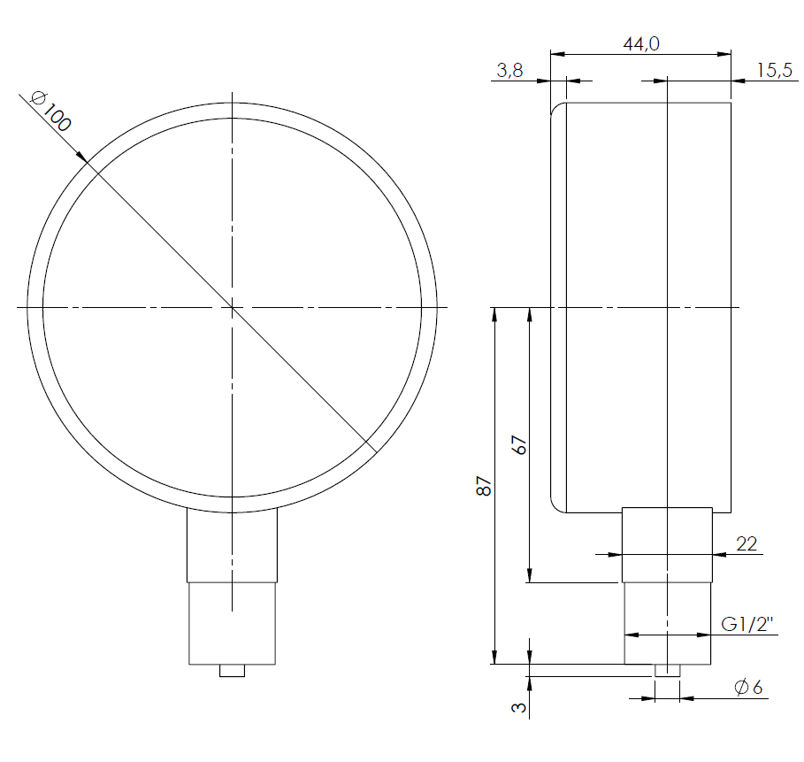
Ciśnieniomierz różnicowy AFRISO KP D201 -60/0 mbar mosiądz G1/2B radialne fi 100, kl. 1.6%

Kod IK

8035106201

Kod EAN

4049827005061

Kod producenta

35106201

Marka

AFRISO

Model

KP D201

Cena katalogowa netto

Na zapytanie

Przeznaczony do pomiaru ciśnień gazów suchych, które nie działają niszcząco na stopy miedzi.

Filmy

Dane techniczne

Klasa dokładności wg EN

1.6%

Materiał przyłącza procesowego

Mosiądz

Miejsce połączenia

radialne

Rozmiar przyłącza procesowego

G1/2B

Zakres skali (w barach)

-60/0 mbar

Średnica obudowy

100

Wydarzenia - AFRISO