Złącze krzyżowe RUMET z tuleją zanurzeniową Mosiądz 3/4'' x 22 mm (GZ)
|
charakterystyka
|
opakowanie - ilość szt.
|
masa jedn.
|
nr kat.
|
|||||||||||
|
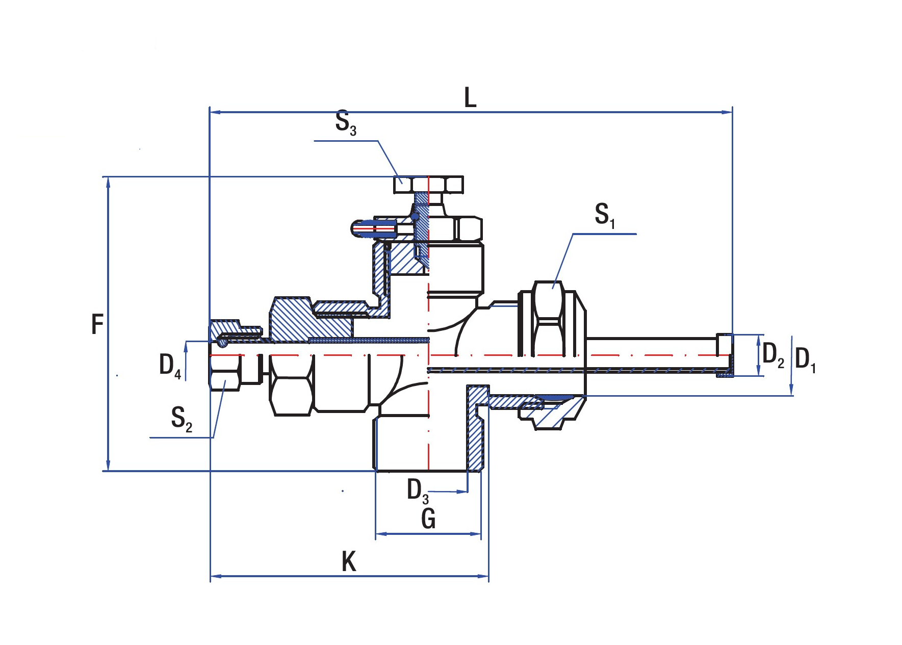
G
|
L
|
K
|
F
|
D1
|
D2
|
D3
|
D4
|
S1
|
S2
|
S3
|
woreczek
|
karton
|
kg
|
|
|
3/4"
|
121
|
65
|
69
|
18
|
10
|
18
|
6
|
27
|
14
|
14
|
5
|
20
|
0,300
|
9090014
|
|
3/4"
|
121
|
65
|
69
|
22
|
10
|
18
|
6
|
32
|
14
|
14
|
5
|
20
|
0,330
|
9090015
|
|
-
|
121
|
65
|
62
|
18
|
10
|
18
|
6
|
27
|
14
|
14
|
5
|
20
|
0,310
|
9090039
|
|
-
|
121
|
65
|
62
|
22
|
10
|
22
|
6
|
32
|
14
|
14
|
5
|
20
|
0,340
|
9090016
|
|
1/2"
|
171
|
65
|
69
|
18
|
10
|
18
|
6
|
27
|
14
|
14
|
5
|
15
|
0,280
|
90900145
|
|
1/2"
|
171
|
65
|
69
|
22
|
10
|
18
|
6
|
32
|
14
|
14
|
5
|
15
|
0,290
|
90900155
|
|
-
|
171
|
65
|
62
|
18
|
10
|
18
|
6
|
27
|
14
|
14
|
5
|
15
|
0,320
|
90900395
|
|
-
|
171
|
65
|
62
|
22
|
10
|
22
|
6
|
32
|
14
|
14
|
5
|
15
|
0,340
|
90900165
|
|
1/2"
|
221
|
65
|
69
|
18
|
10
|
18
|
6
|
27
|
14
|
14
|
5
|
15
|
0,290
|
90900142
|
|
1/2"
|
221
|
65
|
69
|
22
|
10
|
18
|
6
|
32
|
14
|
14
|
5
|
15
|
0,300
|
90900152
|
|
-
|
221
|
65
|
62
|
18
|
10
|
18
|
6
|
27
|
14
|
14
|
5
|
15
|
0,330
|
90900392
|
|
-
|
221
|
65
|
62
|
22
|
10
|
22
|
6
|
32
|
14
|
14
|
5
|
15
|
0,250
|
90900162
|
Dane techniczne
Rozmiar połączenia rurowego
3/4"
Dane logistyczne
Opakowanie zbiorcze 1
Jednostka zbiorcza opak.
worek
Ilość
5
Opakowanie zbiorcze 2
Jednostka zbiorcza opak.
opak
Ilość
15








