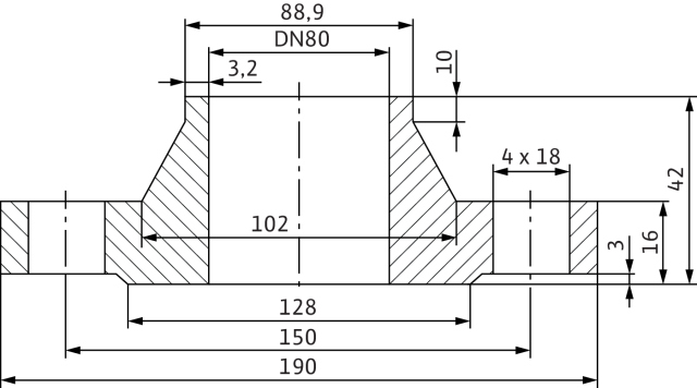
Zestaw przeciwkołnierzy stal nierdzewna, przył. DN 80 dł.190mm szer.190mm WILO
Dane techniczne
*Przyłącze wejścia: DN 80
*Przyłącze wyjścia: DN 80
*Ciśnienie nominalne:
*Materiał : Stal nierdzewna
*Masa: 6 kg
*Produkt:
*Nr art.: 2105584
Dane techniczne
Długość [mm]
190
Materiał
Stal nierdzewna
Nominalna średnica wewnętrzna przyłącza pompy
DN 80
Nominalna średnica wewnętrzna rury łączeniowej
DN 80
Rodzaj akcesorium
Zestaw przeciwkołnierzy
Szerokość [mm]
190
Dane logistyczne
Opakowanie zbiorcze 1
Długość [m]
0,225
Szerokość [m]
0,225
Wysokość [m]
0,16
Opakowanie zbiorcze 2
Jednostka zbiorcza opak.
opak
Ilość
15







