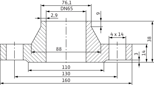
Zestaw przeciwkołnierzy stal nierdzewna, przył. DN 65 dł.160mm szer.160mm WILO
Dane techniczne
*Przyłącze wejścia: DN 65
*Przyłącze wyjścia: DN 65
*Ciśnienie nominalne:
*Materiał : Stal nierdzewna
*Masa: 4,1 kg
*Produkt:
*Nr art.: 2105582
Dane techniczne
Długość [mm]
160
Materiał
Stal nierdzewna
Nominalna średnica wewnętrzna przyłącza pompy
DN 65
Nominalna średnica wewnętrzna rury łączeniowej
DN 65
Rodzaj akcesorium
Zestaw przeciwkołnierzy
Szerokość [mm]
160
Dane logistyczne
Opakowanie zbiorcze 1
Długość [m]
0,215
Szerokość [m]
0,195
Wysokość [m]
0,1
Opakowanie zbiorcze 2
Jednostka zbiorcza opak.
opak
Ilość
20







