Zestaw przeciwkołnierzy stal nierdzewna, przył. DN 32 dł.120mm szer.120mm WILO
Dane techniczne
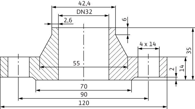
*Przyłącze wejścia: DN 32
*Przyłącze wyjścia: DN 32
*Ciśnienie nominalne:
*Materiał : Stal nierdzewna
*Masa: 2,7 kg
*Produkt:
*Nr art.: 2105576
Dane techniczne
Długość [mm]
120
Materiał
Stal nierdzewna
Nominalna średnica wewnętrzna przyłącza pompy
DN 32
Nominalna średnica wewnętrzna rury łączeniowej
DN 32
Rodzaj akcesorium
Zestaw przeciwkołnierzy
Szerokość [mm]
120
Dane logistyczne
Opakowanie zbiorcze 1
Długość [m]
0,215
Szerokość [m]
0,195
Wysokość [m]
0,1
Opakowanie zbiorcze 2
Jednostka zbiorcza opak.
opak
Ilość
20







