Zawór obrotowy trójdrogowy AFRISO ARV 387 Vario ProClick, mieszający, Siłownik elektryczny ARM 343, DN 50
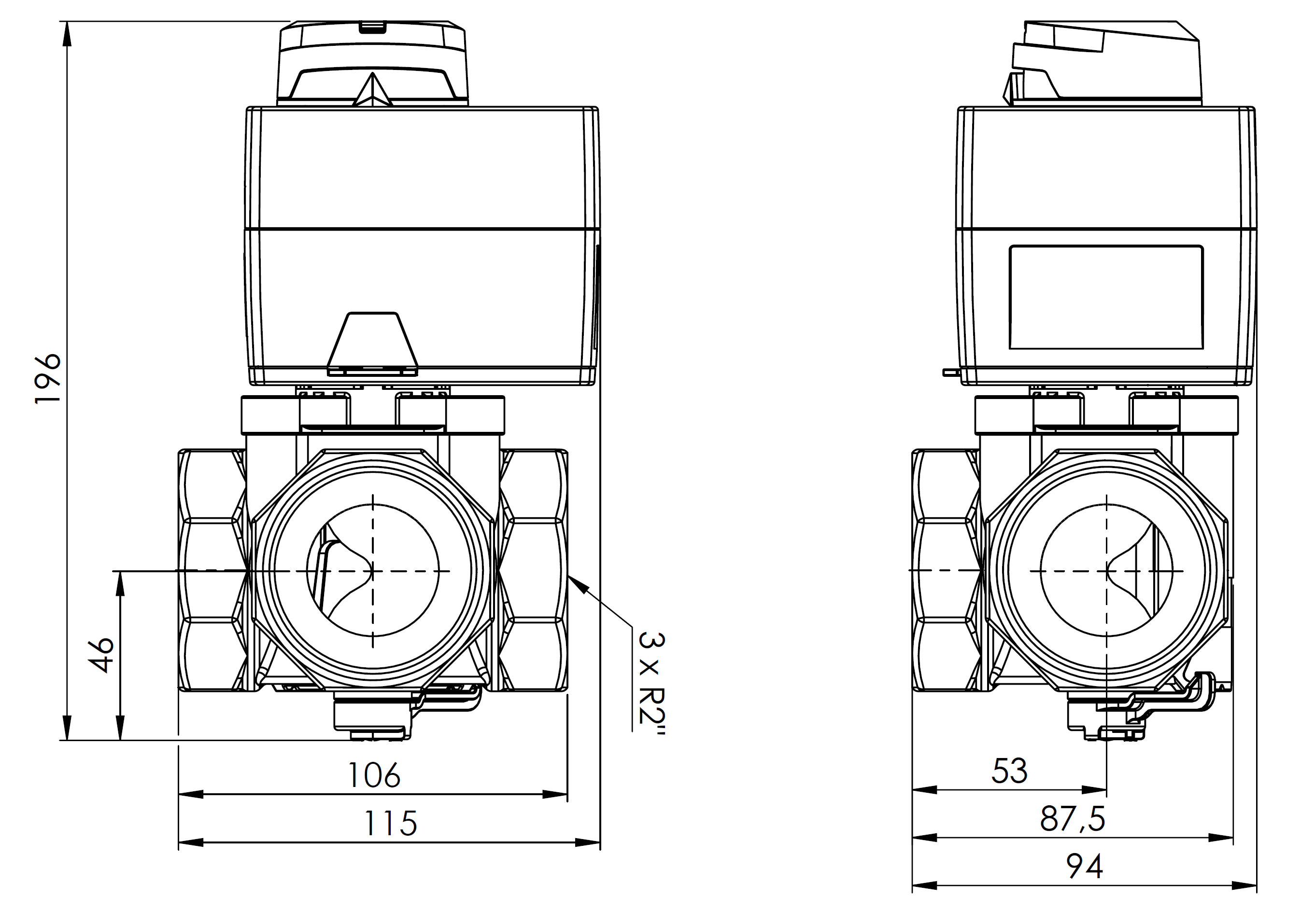
Korpus zaworu wykonany z mosiądzu, z gwintami wewnętrznymi.
Funkcja Vario umożliwia zmianę nastawy współczynnika Kvs w zakresie 17÷50 m³/h.
Zmiana nastawy Kvs przy pomocy odpowiedniej dźwigni.
Wygodne pokrętło z ogranicznikami kąta obrotu.
Zakres obrotu siłownika – 90 stopni.
Przyłącza zaworu w formie ośmiokąta ułatwiające montaż.
Diody siłownika ARM ProClick informują o aktualnym kierunku obrotu zawieradła zaworu.
Urządzenia wyposażone w system ProClick – pozwala na bezpośredni montaż siłownika na zaworze bez użycia dodatkowych narzędzi.
Zastosowanie
Zawór ARV Vario ProClick stosowany jest w instalacjach grzewczych i chłodzących.Montowany najczęściej na zasilaniu instalacji jako zawór mieszający.
Miesza w odpowiednich proporcjach strumienie czynnika, by uzyskać odpowiednią temperaturę.
Zastosowanie
Zawór ARV Vario ProClick stosowany jest w instalacjach grzewczych i chłodzących.Montowany najczęściej na zasilaniu instalacji jako zawór mieszający.
Miesza w odpowiednich proporcjach strumienie czynnika, by uzyskać odpowiednią temperaturę.
Filmy
Dane techniczne
Działanie/napęd
Siłownik elektryczny ARM 343
Mieszający
Tak
Nominalna średnica wewnętrzna
DN 50









