Zawór kulowy KFA Armatura mosiądz, PN 20 1/2'' GZ x GW, uchwyt: rączka
Zawór kulowy do wody mini, nakrętno-Wkrętny z dźwignią 1/2
Informacje dodatkowe
- Kolekcja: zawory wodne mini
- Norma: ITB-KOT-2018/0735 wyd.2
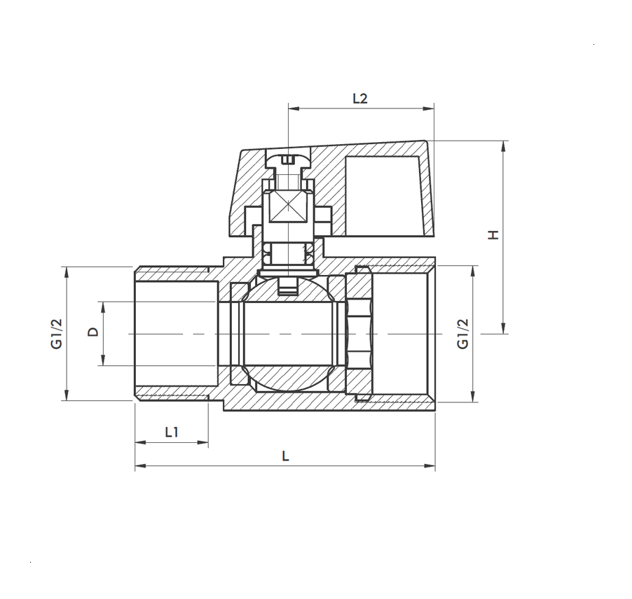
Parametry techniczne
- Element sterujący: kula
- Wymiar [cal]: 1/2
- L [mm]: 47
- PN [bar]: 10
- Uchwyt: dźwignia aluminiowa
- Powierzchnia: chromowane
- Przyłączenie: nakrętno-wkrętne
- H [mm]: 30
- L1 [mm]: 10
- L2 [mm]: 22,8
- Przelot: standardowy
- D [mm]: 10
Dane techniczne
Klasa ciśnienia urządzenia
PN 20
Materiał korpusu
Mosiądz
Materiał kuli
Mosiądz
Materiał obudowy
Mosiądz
Materiał trzpienia
Mosiądz
Materiał uszczelnienia kuli
Teflon
Podstawowy materiał uszczelnienia trzpienia
Inne
Połączenie 1
Gwint zewnętrzny
Połączenie 2
Gwint wewnętrzny
Rodzaj korpusu
Jednoczęściowy
Uchwyt
rączka
Wykończenie powierzchni kuli
Chromowanie
Zabezpieczenie powierzchni obudowy
Niklowanie
Znamionowa średnica wewnętrzna połączenia 1
1/2''
Do pobrania
Dane logistyczne
Opakowanie zbiorcze 1
Jednostka zbiorcza opak.
opak
Ilość
50
Masa brutto [kg]
5,78
Długość [m]
0,325
Szerokość [m]
0,145
Wysokość [m]
0,06








