Zatapialna pompa ściekowa SLV.65.65.40.2.50D.C
SLV.65.65.40.2.50D.C
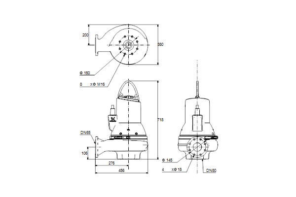
Normalnie ssąca jednostopniowa pompa odśrodkowa przeznaczona do tłoczenia wody brudnej i procesowej oraz nieoczyszczonych ścieków surowych.
Pompa jest przeznaczona do montażu na mokro oraz zarówno do pracy ciągłej, jak i przerywanej. Wydajny wirnik SuperVortex umożliwia tłoczenie cieczy zawierających długie włókna i cząstki stałe o wielkości do 65 mm oraz nadaje się do tłoczenia ścieków o zawartości suchej masy do 5%. Unikalny zaciskowy system do montażu ze
Dane logistyczne
Opakowanie zbiorcze 1
Jednostka zbiorcza opak.
warstwa
Opakowanie zbiorcze 2
Jednostka zbiorcza opak.
paleta








