Wilo-DrainLift WS 1100 D/TP 50, FIT V05, PRO V05 studzienka z tworzywa sztucznego do montażu w gruncie
Dopuszczalny zakres zastosowania
*do pomp Wilo: Rexa UNI V05, Rexa FIT V05, Rexa PRO V05
*Maks. dopuszczalne ciśnienie w przewodzie ciśnieniowym: 6 bar
*Min. temperatura przetłaczanej cieczy: 0 oC
*Maks. temperatura przetłaczanej cieczy: 35 oC
*Min. temperatura otoczenia: 3 oC
*Maks. temperatura otoczenia: 20 oC
Dane techniczne
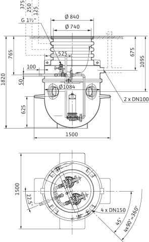
*Pojemność zbiornika: 1240 l
*Przyłącze wejścia: Ø 160
*Przyłącze wyjścia: G 2
*Odpowietrzanie:
*Materiał zbiornika:
*Długość: 1500 mm
*Szerokość: 1500 mm
*Wysokość: 1820 mm
*Masa: 130 kg
Informacje na temat umiejscowienia zamówień
*Produkt:
*Nr art.: 2506441
Dane logistyczne
Opakowanie zbiorcze 1
Długość [m]
1,5
Szerokość [m]
1,5
Wysokość [m]
1,98







