Stopa sprzęgająca żeliwo dł.150mm szer.260mm WILO
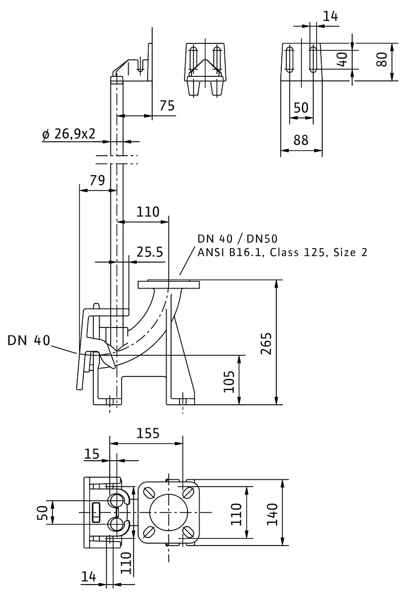
*Kolano ze stopą z prowadnicą dwururową
*Kołnierz sprzęgający do montażu na przyłączu ciśnieniowym
*Uszczelka profilowa
*Materiał montażowy
Dwie prowadnice (26,9x2 mm) zapewnia Użytkownik!
Dane techniczne
*Przyłącze wejścia: DN 40/50
*Przyłącze wyjścia: DN 40/50
*Materiał : EN-GJL-250
*Masa: 14,5 kg
*Produkt:
*Nr art.: 2057179
Dane techniczne
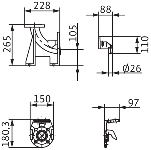
Długość [mm]
150
Materiał
Żeliwo
Nominalna średnica wewnętrzna przyłącza pompy
Inne
Nominalna średnica wewnętrzna rury łączeniowej
DN 40
Rodzaj akcesorium
Stopa sprzęgająca
Szerokość [mm]
260
Do pobrania
Dane logistyczne
Opakowanie zbiorcze 1
Długość [m]
0,37
Szerokość [m]
0,36
Wysokość [m]
0,24







