Instalatorze, możesz zamówić kotły Vaillant ecoTEC pro za punkty PIK!
 

Śrubunek hydrauliczny AFRISO Zestaw z uszczelkami i dwoma zaworami zwrotnymi mosiądz (niklowany) GW 1'' z pierścieniem zacinającym

Kod IK

801220210

Kod EAN

5902510000622

Kod producenta

1220210

Marka

AFRISO

Model

Zestaw z uszczelkami i dwoma zaworami zwrotnymi

Cena katalogowa netto

46,80 EUR / szt.

Cena katalogowa brutto

57,56 EUR / szt.

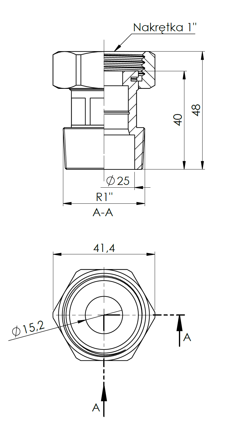
Dwa śrubunki umieszone na przyłączach wlotowych do zaworu ATM wyposażone są w zawory zwrotne, zapobiegające przepływom wstecznym.
Montaż śrubunków na przyłączach zaworu ATM ułatwia montaż i demontaż zaworu.

Zastosowanie

Stosowane w instalacjach ogrzewania podłogowego i c.w.u.
Montowane na przyłączach zaworu termostatycznego ATM.

Zastosowanie

Stosowane w instalacjach ogrzewania podłogowego i c.w.u.
Montowane na przyłączach zaworu termostatycznego ATM.

Filmy

Dane techniczne

Materiał

Mosiądz

Rozmiar połączenia gwintowego w calach

1

Zabezpieczenie powierzchni

Niklowany

Złącze gwintowe

Gwint wewnętrzny

Wydarzenia - AFRISO