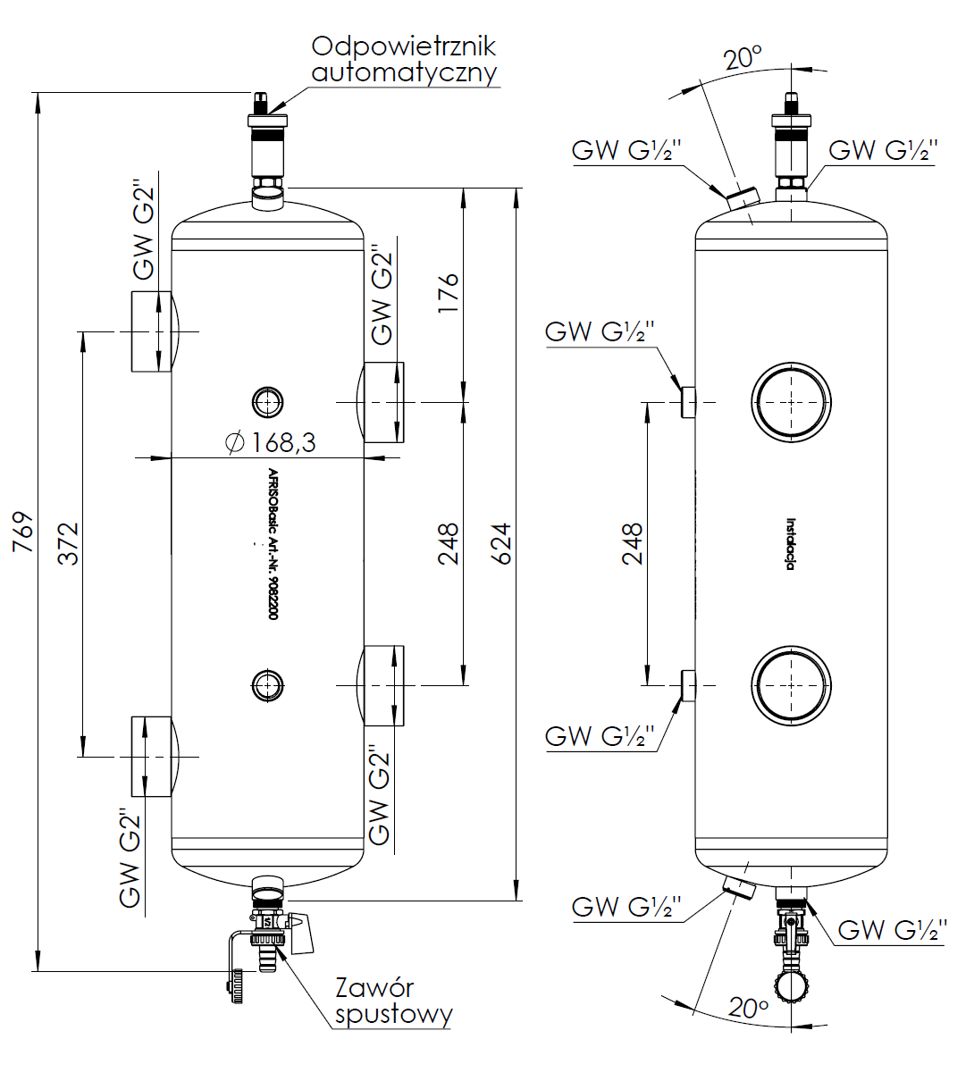
Sprzęgło hydrauliczne ocieplone BLH 822, 200 kW, 4x GW G2'', 6x GW G1/2'' odpowietrznik automatyczny, zawór spustowy, termometry, tuleja zanurzeniowa, korek
Wewnętrzne siatki separacyjne pomagają wytrącać powietrze i zanieczyszczenia z medium.
Dwuczęściowa izolacja z pianki (XLPE) minimalizuje straty ciepła.
Odpowietrznik automatyczny usuwa powietrze wytrącone w sprzęgle.
Zawór spustowy KFE umożliwia pozbycie się wytrąconych zanieczyszczeń.
Termometry (w górnej i dolnej części) pokazują aktualny poziom wygrzania lub wychłodzenia urządzenia.
Dedykowane przyłącze z tuleją na czujnik temperatury umożliwia dokładniejszy pomiar temperatury medium.
Opcjonalnie można dokupić stojak (Art.-Nr 90 800 05) i łatwo przytwierdzić, ustawić i wypoziomować sprzęgło.
Zastosowanie
Stosowane w instalacjach grzewczych i chłodzących.Montowane między źródłem a instalacją.
Rozdziela hydraulicznie obieg źródła od obiegów po stronie instalacji.
Zapewnia płynną pracę instalacji po wyłączeniu części odbiorników lub zmianie parametrów pracy pomp obiegowych.
Pozwala odpowietrzyć część instalacji i usunąć wytrącone zanieczyszczenia.
Zastosowanie
Stosowane w instalacjach grzewczych i chłodzących.Montowane między źródłem a instalacją.
Rozdziela hydraulicznie obieg źródła od obiegów po stronie instalacji.
Zapewnia płynną pracę instalacji po wyłączeniu części odbiorników lub zmianie parametrów pracy pomp obiegowych.
Pozwala odpowietrzyć część instalacji i usunąć wytrącone zanieczyszczenia.









