Separator AFRISO ADS 160, do C.O., do klimatyzacji, 3 bar / 90'C, 1'' (GW), z wkładem magnesowymInstalacje i źródła ciepła, z izolacją
Izolacja z EPP ogranicza straty / zyski ciepła.
Wyposażony w dwie wymienne siatki filtracyjne (różny rozmiar oczek) i magnes neodymowy.
Zawór spustowy ułatwia usuwanie zanieczyszczeń.
Obrotowe przyłącze umożliwia montaż na przewodach pionowych i poziomych.
Odpowietrznik ręczny pozwala odpowietrzyć separator po zakończeniu prac konserwacyjnych.
Plomba, która zabezpiecza magnes przed nieupoważnionym wyjęciem.
Zastosowanie
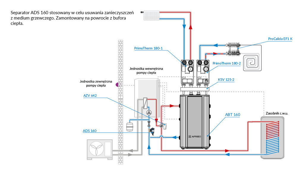
Stosowany w instalacjach grzewczych i chłodzących.Montowany przed źródłem na powrocie z instalacji.
Podwójny, mechaniczny i magnetyczny system filtracji chroni instalację przed zanieczyszczeniami.
Zastosowanie
Stosowany w instalacjach grzewczych i chłodzących.Montowany przed źródłem na powrocie z instalacji.
Podwójny, mechaniczny i magnetyczny system filtracji chroni instalację przed zanieczyszczeniami.
Filmy
Dane techniczne
Do instalacji chłodniczych
Tak
Do instalacji grzewczych
Tak
Gatunek materiału obudowy
PA66
Maks. ciśnienie robocze [bar]
3
Maksymalna temperatura medium [°C]
90
Materiał obudowy
Poliamid
Nominalna średnica wewnętrzna
1''
Obszar zastosowania
Instalacje i źródła ciepła
Rodzaj magnesu (lokalizacja)
Wewnętrzny
Rodzaj połączenia
Gwint wewnętrzny
Wartość Kvs
6,9
Z izolacją
Tak
Z magnesem
Tak
Zakres przepływu [m³/h]
2,1









