Instalatorze, możesz zamówić kotły Vaillant ecoTEC pro za punkty PIK!
 

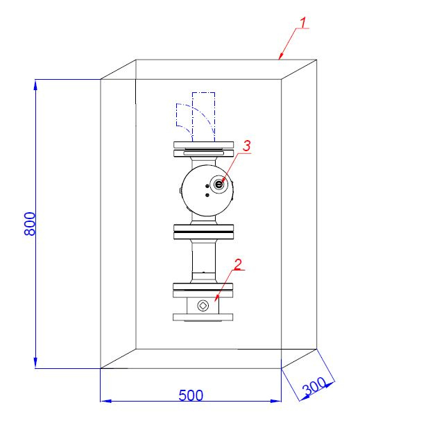
Punkt odcinający DN40

Kod IK

W907-10-0000-09

Kod EAN

5903244164383

Kod producenta

07-10-0000-09

Marka

WEBA

Model

Brak modelu

Cena katalogowa netto

3 950 zł / szt.

Cena katalogowa brutto

4 858,50 zł / szt.

Punkt odcinający DN40

Punkty odcinające dopływ gazu stosowane za układem pomiarowym lub redukcyjno-pomiarowym, w strefach zagrożonym wybuchem (EX).

W skład takiego punktu wchodzą zawory kulowe kołnierzowe oraz zawór elekromagnetyczny, który pewnie i skutecznie odcina dopływ gazu do instalacji, w chwili wykrycia gazu w pomieszczeniu, przez detektory. Zawór odcinający dopływ gazu do budynku, będący elementem składowym urządzenia sygnalizacyjno-odcinającego, powinien być instalowany poza budynkiem, między kurkiem głównym a wprowadzeniem przewodu do budynku.