Instalatorze, możesz zamówić kotły Vaillant ecoTEC pro za punkty PIK!
 

Przepust rurowy, tworzywo sztuczne / szary do odpływów prysznicowych VIEGA 49235

Kod IK

67491673

Kod EAN

4015211491673

Kod producenta

491673

Marka

VIEGA

Model

49235

Cena katalogowa netto

932,92 zł / szt.

Cena katalogowa brutto

1 147,49 zł / szt.

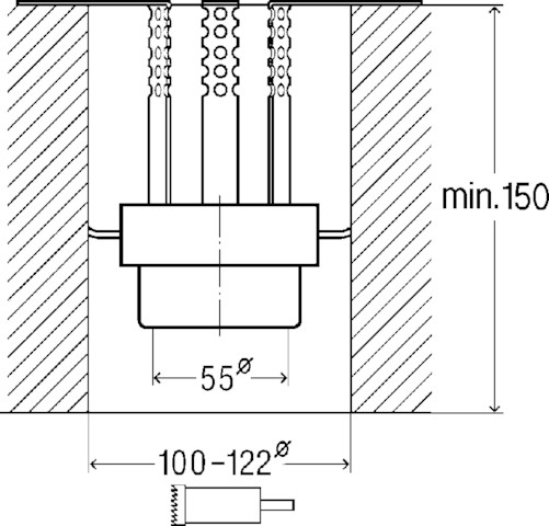
Advantix-przepust rurowy, ochrona przeciwpożarowa R120. Przeznaczenie: z rurą PP i podłączonym syfonem z zabezpieczeniem zwrotnym. Wyposażenie: Wełna mineralna, łącznik, dopuszczenie (ABZ), dopuszczenie DIBt Z-19.17‑1770, nr wzoru 4923.5, nr kat. 491 673, DN: 50

Dane techniczne

Rodzaj akcesorium

Przepust rurowy, tworzywo sztuczne / szary

Dane logistyczne

Opakowanie zbiorcze 1

Jednostka zbiorcza opak.

paleta

Ilość

100

Masa brutto [kg]

98,6

Długość [m]

0,8

Szerokość [m]

1,2

Wysokość [m]

0,91