Przepompownia Aqualift F XL Duo, 4500W-S1, 400V, 200L, z zasuwa odcinającą z żeliwa
KESSEL Przepompownia Aqualift F XL 200 l Duo, urządzenie dwupompowe, 400 V, zasuwa odcinająca Zasuwa odcinająca z żeliwa, z 2 SPF 4500 pomp zatapialnych, mata antywibracyjna tak, czujnik alarmu z Rura zanurzeniowa, typ pracy S1, króciec tłoczny pionowy
- Dostępne różne klasy właściwości użytkowych
- Czujnik ciśnienia do bezpiecznego pneumatycznego rozpoznawania poziomu
- Najwyższe bezpieczeństwo użytkowania dzięki inteligentnemu sterownikowi (Duo)
Przepompownia Aqualift F XL 200 l Duo, SPF 4500-S1, Zasuwa odcinająca
Przepompownia do ścieków zawierających fekalia i bez fekaliów jjest wyposażony w jedną lub dwie pompy zatapialną oraz zawór zwrotny. Pojemnik zbiorczy wykonany z wytrzymałego tworzywa sztucznego (PE) oferuje uniwersalne możliwości podłączenia i posiada przykręcany otwór wyczystkowy.
Wersja
- Typ urządzenia: urządzenie dwupompowe
- Zasuwa odcinająca: Zasuwa odcinająca z żeliwa
- Kątownik do zabezpieczenia przed wyporem: tak
- Mata izolująca akustycznie: tak
- Sterowanie pompą: sterownik
- Zawór zwrotny: zintegrowany
- Przewód tłoczny: pionowy
Cechy ogólne
- Kolor: czarny
- Norma: EN 12050-1
- Typ ścieków: Ścieki zawierające fekalia
- Sposób zabudowy: ustawienie swobodne
- Stan w momencie dostawy: gotowy do instalacji (komponenty elektryczne, części łączące do podłączenia w miejscu instalacji)
- Typ urządzenia: Duo
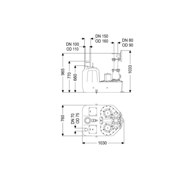
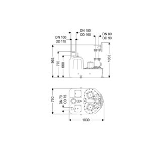
Wymiary
- Ciężar netto: 210 kg
- Ciężar brutto: 230 kg
- Długość: 1109 mm
- Szerokość: 760 mm
- Wysokość: 1027 mm
- Wymiar opakowania: dł.: 1650 mm
- Wymiar opakowania: szer.: 1150 mm
- Wymiar opakowania: wys.: 890 mm
Zbiornik/korpus
- Przewód tłoczny (DN): 80
- Przewód tłoczny (DA): 90 mm
- Przyłącze ręcznej pompy membranowej (DN): 32
- Przyłącze odpowietrzające (DN): 70
- Maks. otwór na dopływ (DN): 200 mm
- Wielkość nominalna dopływu (DA): 110 mm
- Wielkość nominalna dopływu (DN): 100 mm
- Liczba dopływów: 1
- Pojemność użytkowa: 120 l
- Pojemność zbiornika: 200 l
Przenośnik
- Pompa: SPF 4500
- Liczba pomp: 2
- Ciężar, pompa: 31 kg
- Typ przyłącza: Przyłącze bezpośrednie
- Prąd znamionowy: 7,5 A
- Długość przewodu sieciowego pompy: 5 m
- Klasa ochrony: I
- Klasa izolacji: F
- Współczynnik mocy Cos phi: 0,88
- Stopień ochrony pompy: IP 68 (3 m / 48 h)
- Nadzór temperatury: zintegrowany
- Maks. temperatura tłoczonego medium (przy pracy stałej): 40 °C
- Maks. wydajność tłoczenia: 55 m³/h
- Maks. wys. podnoszenia: 20 m
- Prędkość obrotowa: 2850 U/min
- Pobór mocy P1: 4,2 kW
- Pobór mocy P2: 3,5 kW
- Tryb roboczy: S1
- Wymagane zabezpieczenie (zabezpieczenie linii): 3 x C 25 A
- Typ przewodu przyłączeniowego pompy: H07RN-F 7G 1,5 mm²
- Typ wirnika: Wolny przelot
- Wolny przelot: 40 mm
Sterowanie
- Sterownik: Comfort
- Włącznik ochrony silnika: tak
- Czujnik alarmowy: Rura zanurzeniowa
- Instrument do rozpoznania poziomu: Rura zanurzeniowa
- Typ pomiaru poziomu: pneumatyczny
- Stopień ochrony sterowniku: IP 54
- Napięcie robocze: 400 V
- Typ przyłącza: Przyłącze bezpośrednie
- Kontakt bezpotencjałowy: tak
- Złącze GSM: tak
- Funkcja dziennika zdarzeń: tak
- Wyświetlacz wielowierszowy: tak
- Podtrzymywanie bateryjne: tak
- System samodiagnozy (SDS): tak
- Prąd znamionowy: 7,5 A







