Instalatorze, możesz zamówić kotły Vaillant ecoTEC pro za punkty PIK!
 

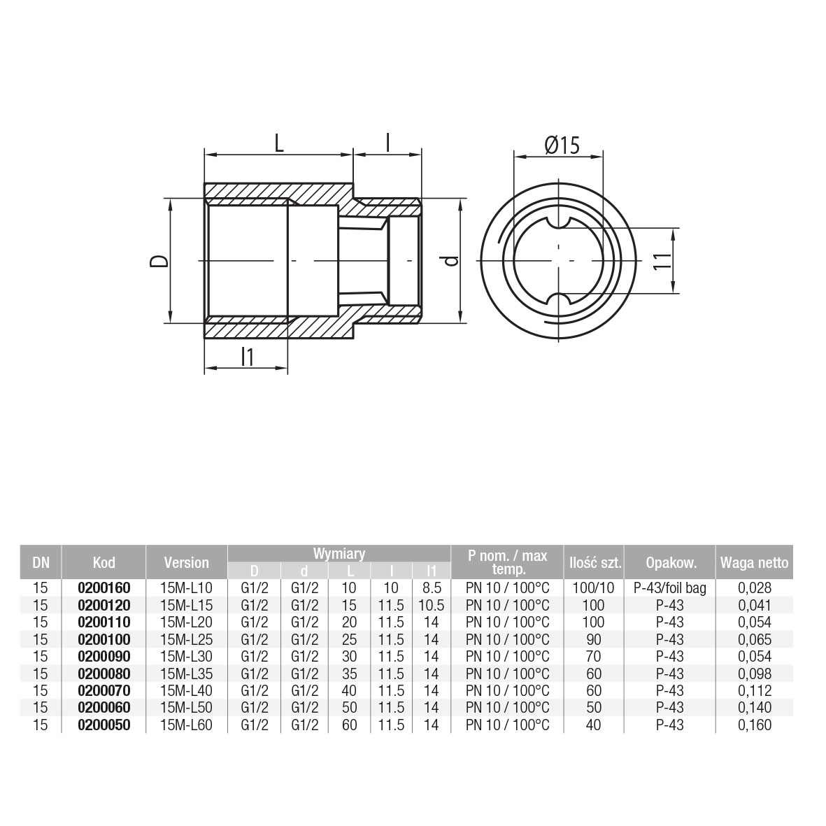
Przedłużka VALVEX, 1/2'' (GW x GZ)

Kod IK

650200050

Kod EAN

Brak kodu EAN

Kod producenta

0200050

Marka

VALVEX

Model

Brak modelu

Cena katalogowa netto

Na zapytanie

- Przedłużka stosowana w instalacjach rurowych wody zimnej, ciepłej i centralnego ogrzewania do łączenia rur między sobą albo z inną częścią składową instalacji

- Materiały: mosiądz

- Ciśnienie maksymalne: PN10

- Temperatura maksymalna: 100°C

Dane techniczne

Połączenie 1

Gwint wewnętrzny

Połączenie 2

Gwint zewnętrzny

Rodzaj złącza

Przedłużka

Znamionowa średnica wewnętrzna połączenia 1

1/2''