Pompa obiegowa WILO Stratos MAXO 32/0,5-16 PN16 1 x 230 V 50/60 Hz, PN 16/16bar
Pompa Smart Premium Wilo-Stratos MAXO
Pompa bezdławnicowa Inline o najwyższej sprawności z silnikiem EC i elektronicznym dopasowaniem wydajności. Stosowanie dla wody grzewczej, zimnej oraz mieszanki wody i glikolu. Współczynnik sprawności energetycznej (EEI) w zależności od typu pompy ≤ 0,17 i ≤ 0,19.
*Rodzaje regulacji:
*Stałe, automatyczne dostosowanie mocy do wymagań instalacji bez wprowadzania wartości zadanych Wilo-Dynamic Adapt plus (ustawienie fabryczne). Oszczędność zużycia energii do 20 % w porównaniu z trybem regulacji dp-v.
*Stała temperatura (T-const.)
*Stała temperatura różnicowa (dT-const.)
*Dostosowana do zapotrzebowania optymalizacja przepływu obrotowego pompy zasilającej poprzez połączenie i komunikację z kilkoma pompami (Multi-Flow Adaptation).
*Stały przepływ (Q-const.)
*Regulacja różnicy ciśnień dp-c w punkcie oddalonym w rurociągu (regulacja punktu błędnego)
*Stała różnica ciśnień (dp-c)
*Zmienna różnica ciśnień (dp-v) z opcją nominalnego wprowadzania punktu pracy
*Stała prędkość obrotowa (n-const.)
*Zdefiniowana przez użytkownika regulacja PID
*Funkcje:
*Rejestracja ilości ciepła
*Rejestracja ilości zimna
*Automatyczne wyłączanie w przypadku rozpoznania w pompie przepływu zerowego (No-Flow Stop)
*Przełączanie pomiędzy trybem grzania i chłodzenia (automatycznie, zewnętrzne i manualnie)
*Nastawne ograniczenie przepływu przez funkcję Q-Limit (Qmin. i Qmax.)
*Rodzaj pracy pomp podwójnych: Optymalizowana sprawnościowo praca z dołączaniem dla dp-c i dp-v, tryb pracy podstawowej / tryb pracy z rezerwą
*Zapisywanie i przywracania skonfigurowanych ustawień pompy (3 punkty przywrócenia ustawień)
*Sygnalizacja awarii / ostrzeżenia w formie tekstu wraz z pomocą
*Funkcja odpowietrzania do automatycznego odpowietrzania komory wirnika
*Automatyczna praca w trybie obniżenia nocnego
*Automatyczna funkcje nieblokowania i wbudowane pełne zabezpieczenie silnika
*Wykrywanie pracy na sucho
*Wskazanie:
*Rodzaj regulacji
*Wartość zadana
*Przepływ
*Temperatura
*Max. pobór mocy
*Zużycie prądu
*Czynniki wywierające aktywny wpływ (np. STOP, No-Flow Stop)
*Wersja:
*2 konfigurowane wejścia analogowe: 0 - 10 V, 2 - 10 V, 0 - 20 mA, 4 - 20 mA i standardowe PT1000; zasilanie elektryczne z +24 V DC
*2konfigurowalne wejścia cyfrowe (Ext. Off, Ext. Min, Ext. Max, ogrzewanie / chłodzenie, możliwość ręcznego przesterowania (automatyka budynku sparowana), blokada obsługi (blokada klawiszy i ochrona konfiguracji pilotów))
*2konfigurowane przekaźniki do sygnalizacji komunikatów pracy i sygnalizacji awarii
*Gniazdo modułów CIF Wilo z interfejsami do automatyki budynku (opcjonalne wyposażenie dodatkowe: moduły CIF Modbus RTU, BACnet MS/TP, LON, PLR)
*Wilo Net jako system magistrali Wilo do komunikacja produktów Wilo między sobą np. Multi-Flow Adaptation; Pompa podwójna i Wilo-Smart Gateway
*Zintegrowane czujniki temperatury
*Automatyczny tryb awaryjny w sytuacjach wyjątkowych (zdefiniowana prędkość obrotowa pompy) np. w przypadku gdy nastąpi wyłączenie komunikacji za pomocą magistrali lub wartości czujników
*Graficzny wyświetlacz kolorowy (4,3 cala) z obsługą poprzez moduł obsługi ręcznej za pomocą jednego przycisku
*Odczytywanie i ustawianie danych pracy oraz np. sporządzanie protokołu z uruchomienia za pośrednictwem interfejsu Bluetooth (bez innego wyposażenia dodatkowego) przy użyciu aplikacji Wilo-Assistant
*Zarządzanie pracą pomp podwójnych zintegrowane (pompy podwójne są okablowane), przy stosowaniu 2 pomp pojedynczych jako jednostki pompy podwójnej, połączenie Wilo Net
*Możliwość rozpoznania przerwania przewodu w przypadku sygnału analogowego (w połączeniu z 2 - 10 V lub 4 - 20 mA)
*Ustawienie na zewnątrz z ochroną przed czynnikami klimatycznymi zgodnie z instrukcją montażu i obsługi
*Data i godzina ustawione seryjnie
*Pokrywy izolacji termicznej do zastosowania w instalacjach grzewczych
*Zakres dostawy
*Pompa
*Zoptymalizowany Wilo-Konektor do wszystkich wielkości
*2x dławiki przewodu M16 x 1,5
*Podkładki dla śrub kołnierzowych M12 i M16 (wartości znamionowe podłączenia DN 32 i DN 65)
*2x uszczelki w przypadku przyłącza gwintowanego
*Pokrywy izolacji termicznej
*Kompaktowa instrukcja montażu i obsługi
*Opcjonalne wyposażenie dodatkowe:
*Izolacja chłodnicza ClimaForm zapobiegająca powstawaniu kondensatu
*Moduł CIF: Modbus RTU, BACnet MS/TP, LON, PLR
*PT 1000 (B) czujniki orurowania (dla wody użytkowej)
*PT 1000 (AA) przetwornik do montażu w tulei zanurzeniowej
*Czujnik różnicy ciśnień
Dane eksploatacyjne
*temperatura przetłaczanej cieczy: -10 oC
*temperatura otoczenia: -10 oC
*Maks. ciśnienie robocze: 16 bar
*Minimalna wysokość dopływu dla 50 oC: 5
*Minimalna wysokość dopływu dla 95 oC: 12
*Minimalna wysokość dopływu dla 110 oC: 18
Dane silnika
*Współczynnik sprawności energetycznej (EEI): 0,17
*Generowanie zakłóceń: EN 61800-3;2004+A1;2012 / środowisko mieszkalne (C1)
*Odporność na zakłócenia: EN 61800-3;2004+A1;2012 / środowisko przemysłowe (C2)
*Przyłącze sieciowe:
*Pobór mocy: 495
*Prędkość obrotowa min.: 450 Obroty / min
*Prędkość obrotowa maks.: 4950 Obroty / min
*Stopień ochrony silnika:
*Dławik przewodu:
Materiały
*Korpus pompy: EN-GJL-250
*Wirnik:
*Wał: 1.4028, z powłoką DLC
*Materiał łożysk: Węgiel spiekany, impregnowany antymonem
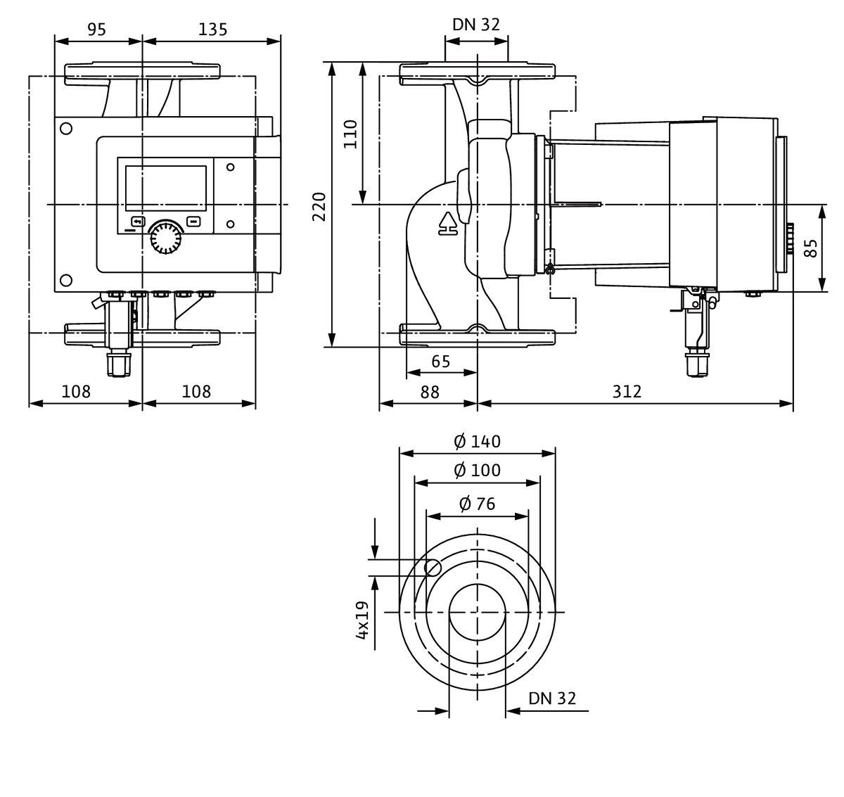
Wymiary montażowe
*Przyłącze gwintowane po stronie ssawnej: DN 32
*Przyłącze gwintowane po stronie tłocznej: DN 32
*Długość montażowa: 220 mm
Informacje na temat umiejscowienia zamówień
*Produkt:
*Nazwa produktu: Stratos MAXO 32/0,5-16 PN 16
*Masa netto ok.: 15,4 kg
*Numer artykułu: 2186269
Dane techniczne
Bezpotencjałowy zestyk przełączający
Tak
Częstotliwość
50/60 Hz
Gatunek materiału korpusu pompy
Żeliwo GG 25
Gatunek materiału wirnika
PP-GF
Interfejs PT100 / PT1000 / PTC
Tak
Klasa ciśnienia kołnierza przyłącza wlotowego
PN 16
Klasa ciśnienia kołnierza przyłącza wylotowego
PN 16
Klasa izolacji wg IEC
F
Kształt końcówki
Okrągły
Liczba faz
1
Maks. ciśnienie robocze [bar]
16
Maks. wydajność (maks. przepływ) [m³/h]
20,5
Maks. wysokość podnoszenia [m]
16,1
Materiał korpusu pompy
Żeliwo
Materiał wirnika
Polipropylen
Obsługa protokołu RS-485
Tak
Pobór mocy przez pompę (solpump) [W]
510
Pobór mocy przez pompę w trybie czuwania (solstandbypump) [W]
10
Pobór mocy silnika (P1) [W]
0,51
Przepływ nominalny (BEP) [m³/h]
11,03
Przyłącze od strony wlotowej
Kołnierz
Przyłącze po stronie wylotowej
Kołnierz
Prąd znamionowy [A]
2,23
Regulacja obrotów silnika
Wbudowany
Rodzaj przyłącza wlotowego
EN 1092-2
Rodzaj przyłącza wylotowego
EN 1092-2
Standard komunikacji bezprzewodowej Bluetooth
Tak
Stopień ochrony (IP)
IPX4D
Sygnał interfejsu 0-10 V / 2-10 V
Tak
Sygnał interfejsu 0-20 mA / 4-20 mA
Tak
Wskaźnik efektywności energetycznej (EEI)
0,18
Wysokość podnoszenia przy przepływie nominalnym (BEP) [kPa]
94,05
Zakres napięcia znamionowego [V]
230
Średnica nominalna przyłącza od strony wlotowej
DN 32
Średnica nominalna przyłącza od strony wylotowej
DN 32
Średnica zewnętrzna przyłącza od strony wylotowej [mm]
32
Do pobrania
Dane logistyczne
Opakowanie zbiorcze 1
Długość [m]
0,6
Szerokość [m]
0,4
Wysokość [m]
0,394







