Instalatorze, możesz zamówić kotły Vaillant ecoTEC pro za punkty PIK!
 

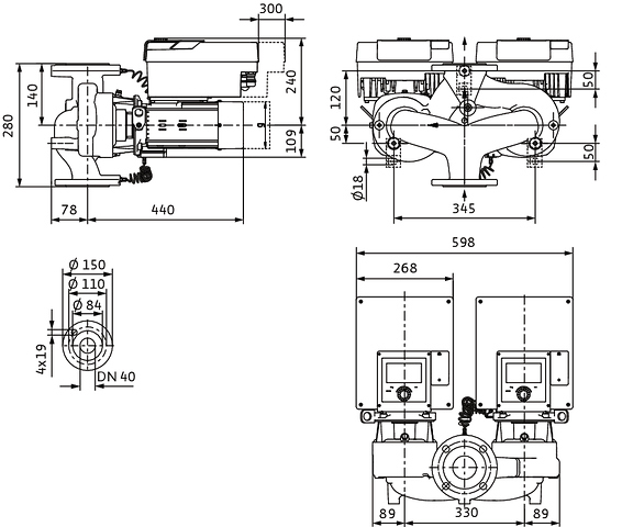
Pompa obiegowa WILO Stratos GIGA 2.0-D 40/1-37/3,0-R1 typu in-line z silnikiem znormalizowanym 50/60 Hz, moc silnika 2.8kW 4.7 A 4440 obr/min, wlot Kołnierz DN 40

Kod IK

812205738

Kod EAN

4062679018904

Kod producenta

2205738

Marka

WILO

Model

Stratos GIGA 2.0-D 40/1-37/3,0-R1

Cena katalogowa netto

12 938 EUR / szt.

Cena katalogowa brutto

15 913,74 EUR / szt.

Pompa Inline o najwyższej sprawności z silnikiem EC z klasą sprawności energetycznej IE5 zgodnie z IEC 60034-30-2, hydraulicznym wskaźnikiem minimalnej energochłonności MEI ≥ 0,7, elektronicznym dopasowaniu wydajności, o konstrukcji pompy dławnicowej. Pompa jest wykonana jako jednostopniowa, niskociśnieniowa pompa wirowa z przyłączem kołnierzowym i uszczelnieniem mechanicznym. Pompa Stratos GIGA2.0-D jest przede wszystkim przeznaczona do tłoczenia wody grzewczej (zgodnie z VDI 2035), wody zimnej i mieszanin woda-glikol niezawierających substancji abrazyjnych w układach grzewczych, klimatyzacyjnych i chłodzenia.

Konstrukcja ...-R1:

  • Jednostopniowa niskociśnieniowa pompa wirowa z niedzielonym wałem o konstrukcji blokowej
  • Korpus spiralny o konstrukcji Inline (przyłącze ssawne i ciśnieniowe z takimi samymi kołnierzami w jednej linii)
  • Kołnierze PN 16 - zgodnie z EN 1092-2
  • Przyłącza pomiarowe ciśnienia (R 1/8) do późniejszego montażu czujnika różnicy ciśnień (wersja ...-R1 bez czujnika różnicy ciśnień)
  • Korpus pompy i kołnierz silnika standardowo z powłoką kataforetyczną
  • Uszczelnienie mechaniczne do tłoczenia wody o temperaturze do Tmax. = +140 °C. Do T ≤ +40 °C dopuszczalna jest domieszka glikolu od 20 % do 40 % objętości. W przypadku mieszanin woda-glikol z zawartością glikolu > 40 % max. do 50 % objętości i o temperaturze przetłaczanej cieczy od > +40 °C do maks. +120 °C lub przetłaczanego medium innego niż woda należy zastosować alternatywne uszczelnienie mechaniczne.
  • Napięcie zasilania:
    • 3~440 V ±10 % 50/60 Hz; 3~400 V ±10 % 50/60 Hz; 3~380 V -5 % +10 % 50/60 Hz
    • Wariant M-: 1~220 V ... 240 V (±10 %), 50/60 Hz
  • Spełnianie wymogów kompatybilności elektromagnetycznej bez dodatkowych działań
    • Generowanie zakłóceń do środowiska mieszkalnego zgodnie z normą EN 61800-3:2018
    • Odporność na zakłócenia dla środowiska przemysłowego zgodnie z normą EN 61800-3:2018

Rodzaje regulacji:

  • Stała prędkość obrotowa (n-const.)
  • Stała temperatura (T-const.)
  • Stała temperatura różnicowa (dT-const.)
  • Zdefiniowana przez użytkownika regulacja PID
  • Możliwe tylko z czujnikiem różnicy ciśnień:
    • Stałe, automatyczne dostosowanie mocy do wymagań instalacji bez wprowadzania wartości zadanych Wilo-Dynamic Adapt plus (ustawienie fabryczne).
    • Dostosowana do zapotrzebowania optymalizacja przepływu obrotowego pompy zasilającej poprzez połączenie i komunikację z kilkoma pompami wtórnymi (Multi-Flow Adaptation).
    • Stały przepływ (Q-const.)
    • Zmienna różnica ciśnień (dp-v) z opcją nominalnego wprowadzania punktu pracy Q i H
    • Stała różnica ciśnień (dp-c)
    • Regulacja różnicy ciśnień dp-c w punkcie oddalonym w rurociągu (regulacja punktu błędnego)

Funkcje:

  • Wybór obszaru zastosowania przez asystenta konfiguracji
  • Tryby pracy pompy podwójnej: Praca główna /z rezerwą
  • Przełączanie pomiędzy trybem grzania i chłodzenia (automatycznie, zewnętrzne i manualnie)
  • Zapisywanie i przywracania skonfigurowanych ustawień pompy (3 punkty przywrócenia ustawień)
  • Sygnalizacja awarii / ostrzeżenia w formie tekstu wraz z pomocą
  • Zintegrowane pełne zabezpieczenie silnika
  • Możliwe tylko z czujnikiem różnicy ciśnień:
    • Rejestracja ilości ciepła
    • Rejestracja ilości zimna
    • Nastawne ograniczenie przepływu przez funkcję Q-Limit (Qmin. i Qmax.)
    • Automatyczne wyłączanie w przypadku rozpoznania w pompie przepływu zerowego (No-Flow Stop)
    • Praca z dołączaniem z optymalizacją sprawności dla dp-c i dp-v

Wskazanie w „Home-Screen” wyświetlacza graficznego:

  • Aktualnie ustawiony tryb regulacji
  • Aktualna wartość zadana
  • Aktualny przepływ obrotowy (tylko przy podłączonym czujniku różnicy ciśnień)
  • Aktualna temperatura przetłaczanej cieczy (tylko przy podłączonym czujniku temperatury)
  • Aktualny pobór mocy
  • Skumulowane zużycie energii elektrycznej

Wersja:

  • 4 konfigurowane wejścia analogowe: 0-10V, 2-10V, 0-20mA, 4-20mA i dostępne w handlu PT1000 (tylko na dwóch wyjściach analogowych); zasilanie elektryczne +24 V DC
  • 2konfigurowalne wejścia cyfrowe (Ext. Off, Ext. Min, Ext. Max, ogrzewanie / chłodzenie, możliwość ręcznego przesterowania (automatyka budynku sparowana), blokada obsługi (blokada klawiszy i ochrona konfiguracji pilotów))
  • 2konfigurowane przekaźniki do sygnalizacji komunikatów pracy i sygnalizacji awarii
  • Gniazdo modułów CIF Wilo z interfejsami do automatyki budynku (opcjonalne wyposażenie dodatkowe: moduły CIF Modbus RTU, BACnet MS/TP, LON, PLR, CAN)
  • Wilo Net jako system magistrali Wilo do komunikacji produktów Wilo między sobą np. Multi-Flow Adaptation; pompa podwójna i Wilo-Smart Gateway
  • Automatyczny tryb awaryjny w sytuacjach wyjątkowych (zdefiniowana prędkość obrotowa pompy) np. w przypadku gdy nastąpi wyłączenie komunikacji za pomocą magistrali lub wartości czujników
  • Obrotowy Graficzny wyświetlacz kolorowy (4,3 cala) z obsługą poprzez moduł obsługi ręcznej za pomocą jednego przycisku
  • Interfejs Bluetooth poprzez moduł BT Wilo-Smart Connect
  • Odczytywanie i ustawianie danych eksploatacyjnych oraz np. sporządzanie protokołu z uruchomienia za pośrednictwem interfejsu Bluetooth przy użyciu aplikacji Wilo-Assistant
  • Zarządzanie pracą pomp podwójnych zintegrowane (pompy podwójne są okablowane), przy stosowaniu 2 pomp pojedynczych jako jednostki pompy podwójnej, połączenie przez Wilo Net
  • Możliwość rozpoznania przerwania przewoduw przypadku sygnału analogowego (w połączeniu z 2 – 10 V lub 4 – 20 mA)
  • Zapis czasu dla błędów / ostrzeżeń i historycznych danych eksploatacyjnych
  • Stała rejestracja danych eksploatacyjnych
  • Dostępne w wersji standardowej otwory do odprowadzania kondensatu w korpusie silnika (zamknięte w momencie dostawy)
  • Zawór odpowietrzający na latarni

Zakres dostawy:

  • Pompa
  • Moduł BT Wilo-Smart Connect
  • Dławiki przewodu z wkładami uszczelniającymi
  • Instrukcja montażu (wersja skrócona) i deklaracja zgodności

Wyposażenie dodatkowe należy zamawiać oddzielnie:

3 konsole z materiałem do mocowania do ustawienia na fundamencie

  • Kołnierze zaślepiające do korpusu pompy podwójnej
  • Przyrząd montażowy do uszczelnienia mechanicznego (ze sworzniami montażowymi)
  • Do podłączenia do automatyki budynku:
    • CIF-Modul PLR
    • Moduł CIF LON
    • CIF-Modul BACnet MS/TP
    • Moduł CIF Modbus RTU
    • CIF-Modul CANopen
    • Moduł CIF Ethernet Multiprotocol (Modbus TCP, BACnet/IP)
    • Przyłącze M12 RJ45 CIF Ethernet
  • Czujnik różnicy ciśnień 2 ... 10 V
  • Czujnik różnicy ciśnień 4 ... 20 mA
  • Czujnik temperatury PT1000 AA
  • Tuleje czujników do montażu czujników temperatury w rurociągu

Dane techniczne

Częstotliwość

50/60 Hz

Długość wbudowania [mm]

280

Gatunek materiału korpusu pompy

Żeliwo GG 25

Gatunek materiału wirnika

PP-GF

Klasa ciśnienia kołnierza przyłącza wlotowego

PN 16

Klasa ciśnienia kołnierza przyłącza wylotowego

PN 16

Klasa efektywności energetycznej silnika

IE5

Klasa izolacji wg IEC

F

Kształt końcówki

Okrągły

Liczba faz

3

Maks. ciśnienie robocze [bar]

16

Maks. wydajność (maks. przepływ) [m³/h]

71,74

Maks. wysokość podnoszenia [m]

39,1

Materiał korpusu pompy

Żeliwo

Materiał wirnika

Polipropylen

Moc oddawana silnika (P2) [kW]

2,8

Pobór mocy przez pompę (solpump) [W]

3100

Pobór mocy silnika (P1) [kW]

3,1

Podwójna pompa

Tak

Przyłącze od strony wlotowej

Kołnierz

Przyłącze po stronie wylotowej

Kołnierz

Prąd znamionowy [A]

4,7

Prędkość obrotowa [obr/min]

4440

Rodzaj przyłącza wlotowego

EN 1092-2

Rodzaj przyłącza wylotowego

EN 1092-2

Stopień ochrony (IP)

IP55

Temperatura otoczenia [°C]

50

Wskaźnik minimalnej sprawności (MEI)

0,7

Zakres napięcia znamionowego [V]

400

Średnica nominalna przyłącza od strony wlotowej

DN 40

Średnica nominalna przyłącza od strony wylotowej

DN 40

Średnica zewnętrzna przyłącza od strony wylotowej [mm]

40

Do pobrania