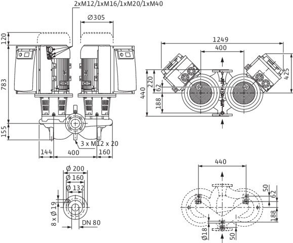
Pompa obiegowa WILO CronoTwin DL-E80/160-11/2-S1 typu in-line z silnikiem znormalizowanym 50/60 Hz, moc silnika 11kW 20.6 A 2900 obr/min, wlot Kołnierz DN 80
Dławnicowa pompa podwójna o konstrukcji Inline do montażu na rurociągu lub do ustawienia na fundamencie z wbudowaną przetwornicą częstotliwości do regulacji elektronicznej m.in. wg stałej i zmiennej różnicy ciśnień (Δp-c/Δp-v)
Budowa:
- Jednostopniowa, niskociśnieniowa pompa wirowa
- Korpus spiralny o konstrukcji Inline (przyłącze ssawne i ciśnieniowe z takimi samymi kołnierzami w jednej linii), kołnierze PN 16 – nawiercone zgodnie z EN 1092-2
- Przyłącza pomiarowe ciśnienia (R 1/8) do zamontowanego czujnika różnicy ciśnień (wersja ...-R1 bez czujnika różnicy ciśnień)
- Korpus pompy i kołnierz silnika standardowo z powłoką kataforetyczną
- Uszczelnienie mechaniczne S1 zalecane w przypadku mieszanin woda-glikol z udziałem glikolu do maks. 50 % ułamka objętościowego i temperatury przetłaczanej cieczy od -20 °C do maks. +110 °C oraz w przypadku udziałów oleju w mieszaninie woda-glikol.
Wyposażenie dodatkowe:
- Konsole do mocowania na fundamencie
- IR-Monitor
- IF-Moduł PLR
- IF-Moduł LON
- IF-Moduł Modbus
- IF-Moduł BACnet
- IF-Moduł CAN
- Systemy regulacyjne VR-HVAC/CCe-HVAC/SCe-HVAC
- Zestawy czujników różnicy ciśnień (DDG) 0-10 V do pomp w wersji ...–R1
Wyposażenie seryjne:
- Moduł obsługi ręcznej za pomocą jednego przycisku z następującymi funkcjami:
- Pompa wł./wył.
- Ustawienie wartości zadanej lub prędkości obrotowej
- Wybór rodzaju regulacji: Δp-c (stała różnica ciśnień), Δp-v (zmienna różnica ciśnień), regulator PID, n-constant (tryb regulacji ręcznej)
- Wybór rodzaju pracy w przypadku pracy pompy podwójnej (praca/rezerwa, praca z dołączeniem)
- Konfiguracja parametrów roboczych
- Potwierdzenie błędu
- Wyświetlacz pompy wskazujący:
- Rodzaj regulacji
- Wartość zadaną (np. różnicy ciśnień lub prędkości obrotowej)
- Komunikaty o błędach i komunikaty ostrzegawcze
- Wartości rzeczywiste (np. poboru mocy, wartości rzeczywistej czujnika)
- Dane robocze (np. godziny pracy, zużycie energii)
- Dane dotyczące stanu (np. stan przekaźnika SSM i SBM)
- Dane urządzenia (np. nazwa pompy)
Funkcje dodatkowe:
- Interfejsy: Wejście sterujące „Wyłączanie z priorytetem”, „Zewnętrzna zamiana pomp”, wejście analogowe 0-10 V, 2-10 V, 0-20 mA, 4-20 mA do trybu sterowania (DDC) lub do zdalnej regulacji wartości zadanej, wejście analogowe 0-10 V, 2-10 V, 0-20 mA, 4-20 mA dla sygnału wartości rzeczywistej czujnika ciśnienia, złącze na podczerwień do komunikacji bezprzewodowej za pomocą urządzenia kontrolno-serwisowego Wilo-IR-Stick/IR-Monitor, gniazdo na IF-Moduły Wilo do podłączenia do automatyki budynku, konfigurowana, bezpotencjałowa sygnalizacja awarii i pracy/stanu gotowości, interfejs do komunikacji z pompami podwójnymi
- Silnik indukcyjny trójfazowy z przetwornicą częstotliwości
- Zintegrowany system zarządzania pracą pomp podwójnych
- Możliwość ustawienia częstotliwości zamiany pomp
- Zintegrowane pełne zabezpieczenie silnika
- Różne rodzaje pracy do zastosowania w instalacjach grzewczych (HV) lub klimatyzacyjnych (AC)
- Blokada dostępu
- Różne poziomy obsługi ręcznej: Standard/serwis
Dane techniczne
Częstotliwość
50/60 Hz
Długość wbudowania [mm]
440
Gatunek materiału korpusu pompy
Żeliwo GG 25
Gatunek materiału wirnika
Żeliwo GG 20
Klasa ciśnienia kołnierza przyłącza wlotowego
PN 16
Klasa ciśnienia kołnierza przyłącza wylotowego
PN 16
Klasa efektywności energetycznej silnika
IE4
Klasa izolacji wg IEC
F
Kształt końcówki
Okrągły
Liczba faz
3
Maks. ciśnienie robocze [bar]
16
Maks. wydajność (maks. przepływ) [m³/h]
277,8
Maks. wysokość podnoszenia [m]
32,81
Materiał korpusu pompy
Żeliwo
Materiał wirnika
Żeliwo
Moc oddawana silnika (P2) [kW]
11
Podwójna pompa
Tak
Przepływ nominalny (BEP) [m³/h]
162,3
Przyłącze od strony wlotowej
Kołnierz
Przyłącze po stronie wylotowej
Kołnierz
Prąd znamionowy [A]
20,6
Prędkość obrotowa [obr/min]
2900
Rodzaj przyłącza wlotowego
EN 1092-2
Rodzaj przyłącza wylotowego
EN 1092-2
Silnik standardowy
Tak
Stopień ochrony (IP)
IP55
Temperatura otoczenia [°C]
40
Wskaźnik minimalnej sprawności (MEI)
0,4
Wysokość podnoszenia przy przepływie nominalnym (BEP) [kPa]
272,72
Zakres napięcia znamionowego [V]
400
Średnica nominalna przyłącza od strony wlotowej
DN 80
Średnica nominalna przyłącza od strony wylotowej
DN 80
Średnica zewnętrzna przyłącza od strony wylotowej [mm]
80







