Pompa obiegowa WILO CronoTwin-DL 200/260-22/4-IE3 typu in-line z silnikiem znormalizowanym 50 Hz, moc silnika 22kW 40.2 A 1450 obr/min, wlot Kołnierz DN 200
Dane eksploatacyjne
*temperatura przetłaczanej cieczy: -20 oC
*temperatura otoczenia: -15 oC
*Maks. ciśnienie robocze: 16 bar
*: 16 bar do 120oC, 13 bar do 140oC
*Wskaźnik minimalnej energochłonności (MEI): 0,4
Dane silnika
*Klasa sprawności energetycznej silnika:
*Przyłącze sieciowe:
*Tolerancja napięcia:
*Moc znamionowa : 22000
*Znamionowa prędkość obrotowa: 1450 Obroty / min
*Prąd znamionowy: 40,2 A
*Współczynnik mocy: 0,85
*Sprawność silnika ηm 50 %: 92
*Sprawność silnika ηm 75 %: 93
*Sprawność silnika ηm 100 %: 92,5
*Klasa izolacji: F
*Stopień ochrony:
Materiały
*Korpus pompy: EN-GJL-250
*Wirnik:
*Wał: Stal nierdzewna
*Uszczelnienie wału: AQ1EGG
*Latarnia: EN-GJL-250
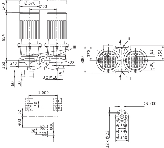
Wymiary montażowe
*Przyłącze gwintowane po stronie ssawnej: DN 200
*Przyłącze gwintowane po stronie tłocznej: DN 200
Informacje na temat umiejscowienia zamówień
*Produkt:
*Nazwa produktu: CronoTwin-DL 200/260-22/4
*Masa netto ok.: 909,3 kg
*Numer artykułu: 2121005
Dane techniczne
Częstotliwość
50 Hz
Długość wbudowania [mm]
800
Gatunek materiału korpusu pompy
Żeliwo GG 25
Gatunek materiału wirnika
Żeliwo GG 20
Klasa ciśnienia kołnierza przyłącza wlotowego
PN 16
Klasa ciśnienia kołnierza przyłącza wylotowego
PN 16
Klasa efektywności energetycznej silnika
IE3
Klasa izolacji wg IEC
F
Kształt końcówki
Okrągły
Liczba faz
3
Maks. ciśnienie robocze [bar]
16
Maks. wydajność (maks. przepływ) [m³/h]
450,4
Maks. wysokość podnoszenia [m]
18,92
Materiał korpusu pompy
Żeliwo
Materiał wirnika
Żeliwo
Moc oddawana silnika (P2) [kW]
22
Podwójna pompa
Tak
Przepływ nominalny (BEP) [m³/h]
410,3
Przyłącze od strony wlotowej
Kołnierz
Przyłącze po stronie wylotowej
Kołnierz
Prąd znamionowy [A]
40,2
Prędkość obrotowa [obr/min]
1450
Rodzaj przyłącza wlotowego
EN 1092-2
Rodzaj przyłącza wylotowego
EN 1092-2
Stopień ochrony (IP)
IP55
Wskaźnik minimalnej sprawności (MEI)
0,4
Wysokość podnoszenia przy przepływie nominalnym (BEP) [kPa]
140,82
Zakres napięcia znamionowego [V]
400
Średnica nominalna przyłącza od strony wlotowej
DN 200
Średnica nominalna przyłącza od strony wylotowej
DN 200
Średnica zewnętrzna przyłącza od strony wylotowej [mm]
200
Do pobrania
Dane logistyczne
Opakowanie zbiorcze 1
Długość [m]
1,5
Szerokość [m]
1,5
Wysokość [m]
0,981







