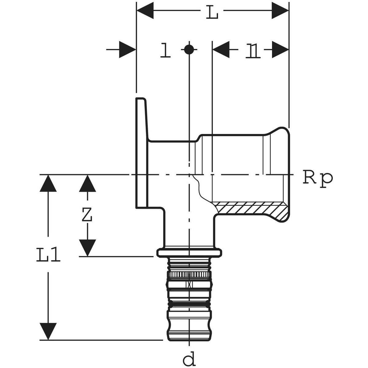
Podłączenie 90' GEBERIT Mepla, miedź, 20 mm, DN 15 x 3/8'' (GW x końcówka wciskowa), 36 mm
Dane techniczne
-
MateriałBrąz (CuSn5Zn5Pb2-C)
Zastosowanie
- Do zimnej i ciepłej wody
- Do wody chłodzącej i grzewczej bez środka zapobiegającego zamarzaniu
- Do wody chłodzącej i grzewczej ze środkiem zapobiegającym zamarzaniu
- Do wody produkcyjnej i procesowej
- Do wody deszczowej o współczynniku pH > 6,0
- Do wody morskiej
- Do wody gaśniczej (mokro)
- Do wody gaśniczej (mokro/sucho, sucho)
- Do chemikaliów i płynów technicznych
- Do sprężonego powietrza (klasa czystości oleju 0–3)
- Do podciśnienia
- Do gazów obojętnych (np. azot)
- Do instalacji domowych, w przemyśle i budownictwie okrętowym
Właściwości
- Połączenie szczelne dopiero po zaprasowaniu
- Uszczelka z EPDM
- Nypel zaprasowywany z przezroczystą zaślepką ochronną
Dane techniczne
Długość [mm]
36
Kąt łuku [°]
90
Materiał połączenia 1
Miedź
Połączenie 1
Gwint wewnętrzny
Połączenie 2
Końcówka wciskowa
Rodzaj złącza
Podłączenie
Znamionowa średnica wewnętrzna połączenia 1
DN 15
Znamionowa średnica wewnętrzna połączenia 2
3/8''
Średnica zewnętrzna rury połączenia 1 [mm]
20
Do pobrania
Dane logistyczne
Opakowanie zbiorcze 1
Ilość
5







