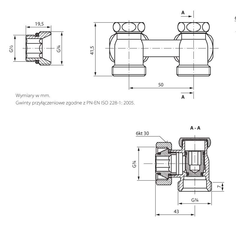
PHA-035 G1/2xG3/4 PN10 DN15 Zespół zaworów grzejnikowych K CuZn-C PN-M-75002
Do podłączenia grzejników z gwintami zewnętrznymi G¾ oraz wewnętrznymi G½. Komplet zawiera: zespół zaworów kątowych oraz złączki redukcyjne (nyple redukcyjne). Specjalna końcówka stożkowa umożliwia montaż zespołu do grzejników dolnozasilanych z gwintami zewnętrznymi, natomiast nyple służą do montażu zespołu z grzejnikami dolnozasilanymi z gwintami wewnętrznymi. Zespół można montować w instalacjach za pomocą odpowiednich zacisków art. NUT02, art. PHA-090, art. 215E.
Do pobrania
Dane logistyczne
Opakowanie zbiorcze 2
Ilość
8
Opakowanie zbiorcze 3
Ilość
80








