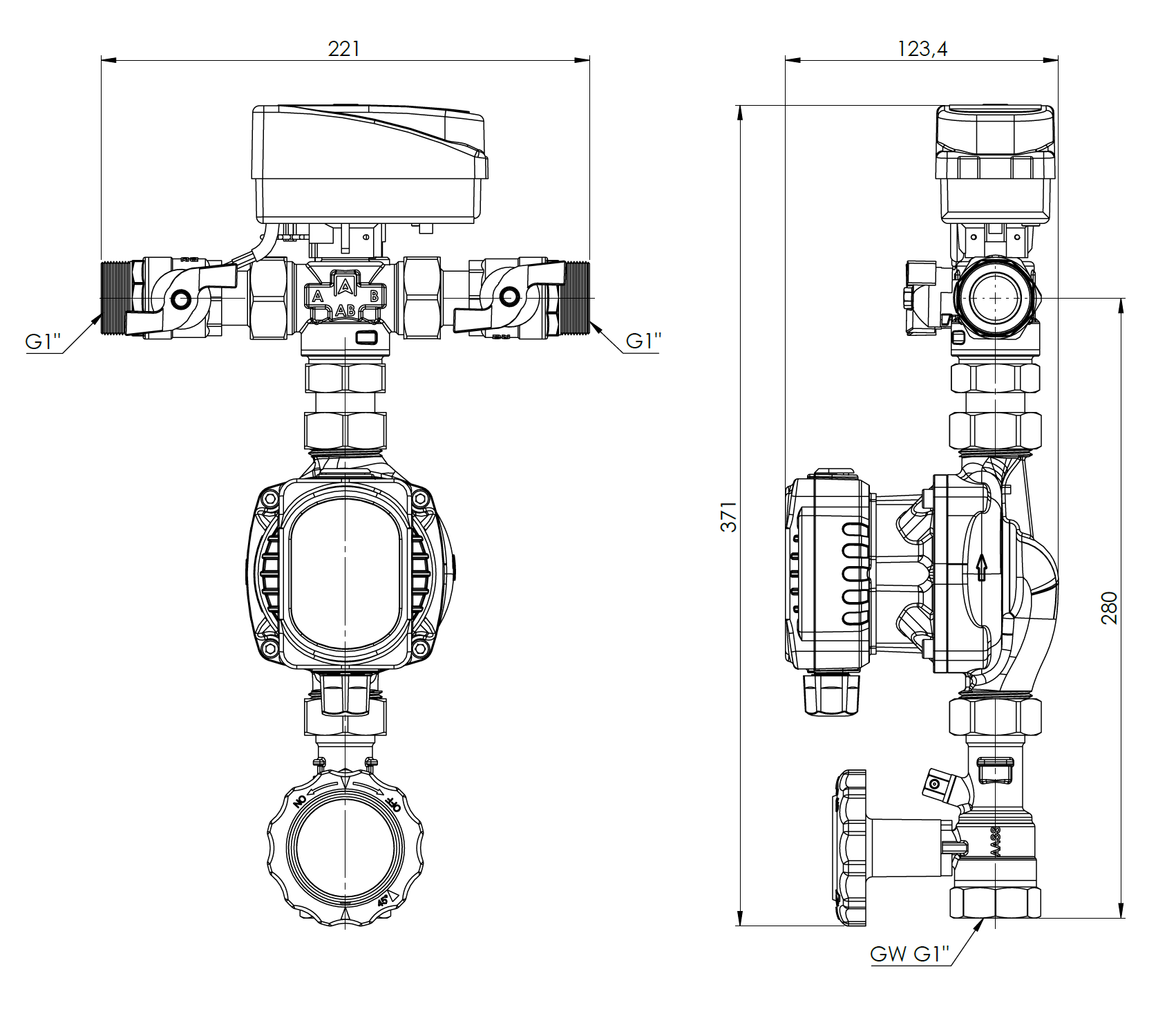
Moduł przełączający BDU 571 AP do pomp ciepła z zaworem AZV 643, pompa APH 160, armatura AFC
Tuleja do montażu czujnika temperatury.
Termometr wbudowany pokrętło zaworu odcinającego kontroluje temperaturę medium.
Zawory odcinające na każdym przyłączu umożliwiają odcięcie pompy oraz zaworu strefowego od reszty instalacji.
Zastosowanie
Stosowany w instalacjach grzewczych.Montowany między źródłem ciepła a dwoma częściami instalacji np.: zasobnikiem ciepłej wody użytkowej oraz buforem ciepła.
Pompuje czynnik grzewczy oraz przełącza przepływ pomiędzy dwoma częściami instalacji po otrzymaniu odpowiedniego sygnału sterującego.
Armatura AFC wchodząca w skład zestawu umożliwia napełnianie, opróżnianie, płukanie oraz odpowietrzanie instalacji.
Zastosowanie
Stosowany w instalacjach grzewczych.Montowany między źródłem ciepła a dwoma częściami instalacji np.: zasobnikiem ciepłej wody użytkowej oraz buforem ciepła.
Pompuje czynnik grzewczy oraz przełącza przepływ pomiędzy dwoma częściami instalacji po otrzymaniu odpowiedniego sygnału sterującego.
Armatura AFC wchodząca w skład zestawu umożliwia napełnianie, opróżnianie, płukanie oraz odpowietrzanie instalacji.









