Instalatorze, możesz zamówić kotły Vaillant ecoTEC pro za punkty PIK!
 

Króciec kołnierzowy tworzywo sztuczne dł.540mm szer.380mm DN 200/PE-HD 160x9,5 WILO

Kod IK

816078901

Kod EAN

4048482637822

Kod producenta

6078901

Marka

WILO

Model

DN 200/PE-HD 160x9,5

Cena katalogowa netto

1 946 EUR / szt.

Cena katalogowa brutto

2 393,58 EUR / szt.

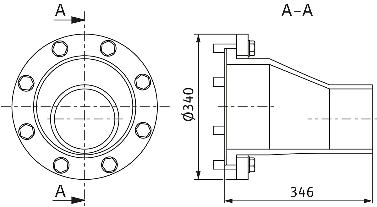
Króciec kołnierzowy do podłączenia rur z tworzywa sztucznego do kołnierza DN, z uszczelką i osprzętem montażowym.

Dane techniczne
*Przyłącze wejścia: DN 200
*Materiał :
*Masa: 6 kg
*Produkt:
*Nr art.: 6078901

Dane techniczne

Długość [mm]

540

Materiał

Tworzywo sztuczne

Rodzaj akcesorium

Króciec kołnierzowy

Szerokość [mm]

380