Grzejnik płytowy typ 11 KERMI HHN, z osłonami wym. 560 x 3600 mm, kolor biały, moc 2797 W
Konkretne i proste wzornictwo, płaskie wykonanie, duża moc i dowolność pod względem proporcji i wymiarów.
Wyjątkowa technika zaworowa Kermi dająca odczuwalną oszczędność energii. Estetyczny wygląd, skrócony czas montażu i prosta instalacja.
Dyskretne, estetyczne i funkcjonalne rozwiązanie koncepcji architektonicznej.
Pionowe, smukłe wykonanie – estetycznie wykończone za pomocą standardowo montowanej bocznej osłony lub idealne dostosowanie w wersji poziomej – z elegancką osłoną lub bez.
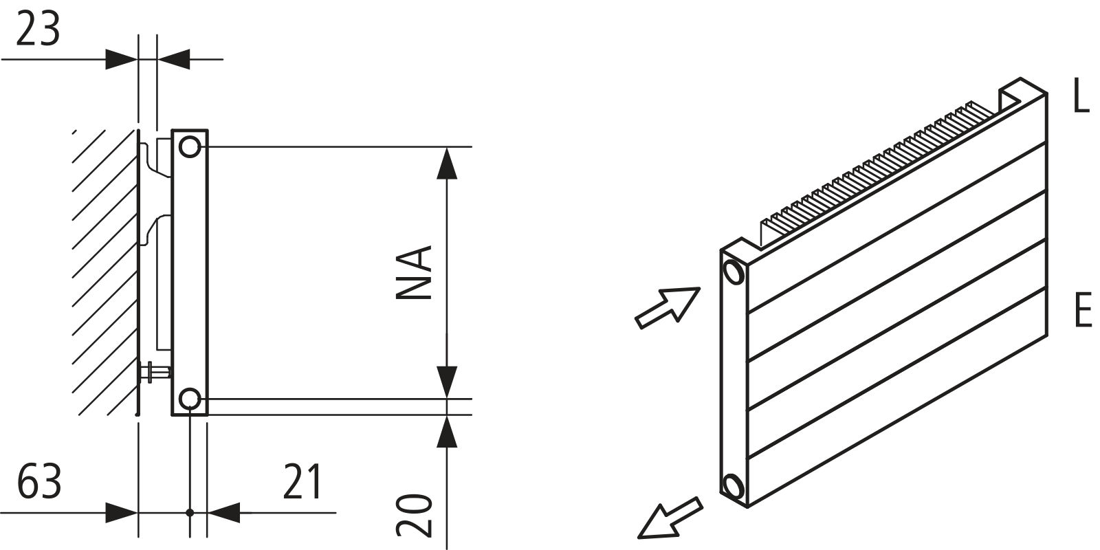
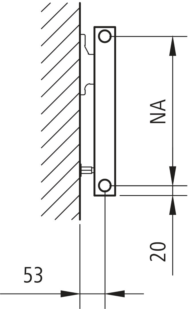
Dane techniczne
Długość [mm]
3600
Głębokość [mm]
61
Kolor
Biały
Moc cieplna EN 442 20°C - 75/65 [W]
2797
Rodzaj
11
Wysokość [mm]
560








