Instalatorze, możesz zamówić kotły Vaillant ecoTEC pro za punkty PIK!
 

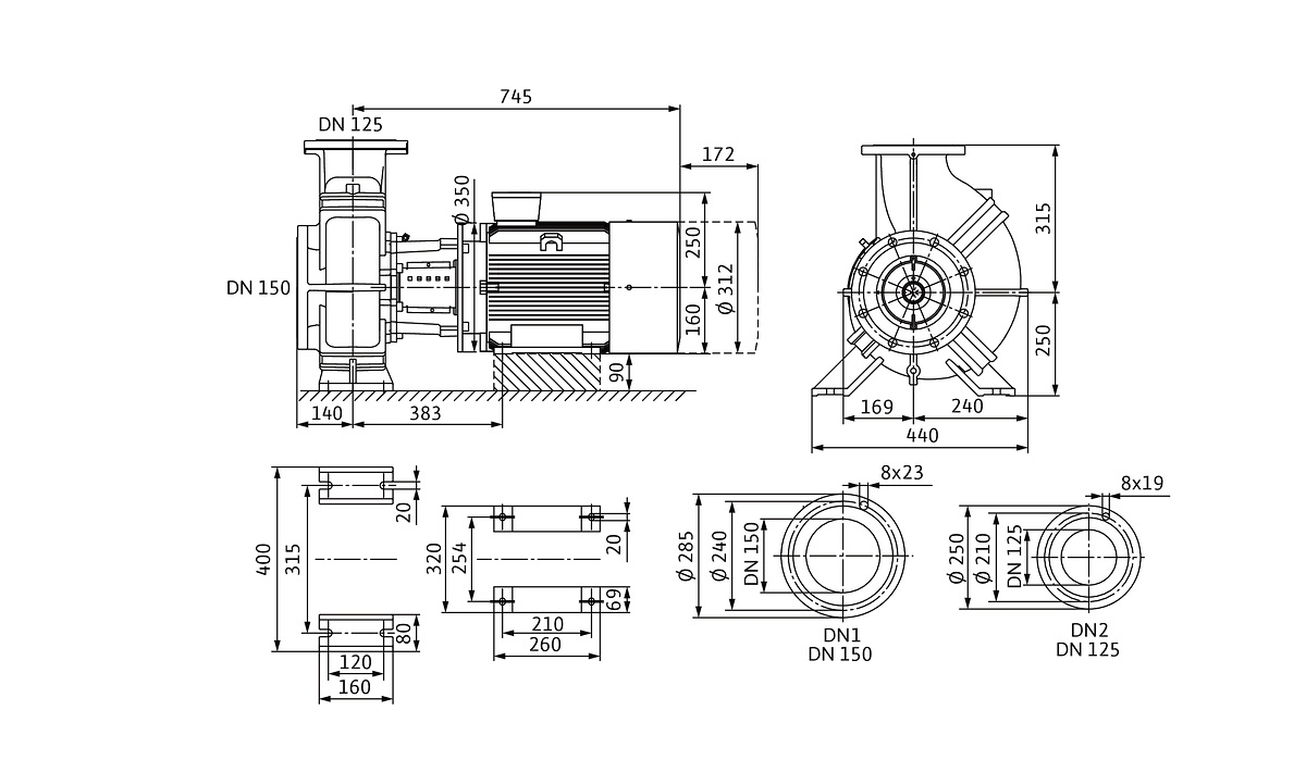
Wilo-Atmos GIGA-B 125/190-11/4 pompa obiegowa blokowa

Kod IK

812213945

Kod EAN

4062679166209

Kod producenta

2213945

Marka

WILO

Model

Atmos GIGA-B

Cena katalogowa netto

8 249 EUR / szt.

Cena katalogowa brutto

10 146,27 EUR / szt.

Jednostopniowa dławnicowa pompa wirowa o konstrukcji blokowej do ustawienia na fundamencie wraz ze stopą na korpusie pompy. Odporna na drgania, zapewniająca cichą pracę konstrukcja blokowa z latarnią i sztywno połączonym silnikiem standardowym (silnik znormalizowany). Z wymuszonym opływem, niezależnym od kierunku obrotów mieszkowym uszczelnieniem mechanicznym (od 37 kW/4-bieg. opcjonalnie z kasetowym uszczelnieniem mechanicznym w systemie cofki do wymiany uszczelnienia mechanicznego bez demontażu silnika) oraz wirnikiem redukującym kawitację. Kołnierze z przyłączami pomiarowymi ciśnienia R 1/8. Wszystkie komponenty żeliwa są pokryte powłoką kataforetyczną. W wersji standardowej silniki w klasie IE3. Pompy z silnikami ≥ 5,5 kW są seryjnie wyposażone w czujnik termistorowy jako zabezpieczenie silnika. Dane eksploatacyjne Przetłaczane medium: Dane w zależności od typu Przepływ: Dane w zależności od typu Wysokość podnoszenia: Dane w zależności od typu Temperatur

Do pobrania