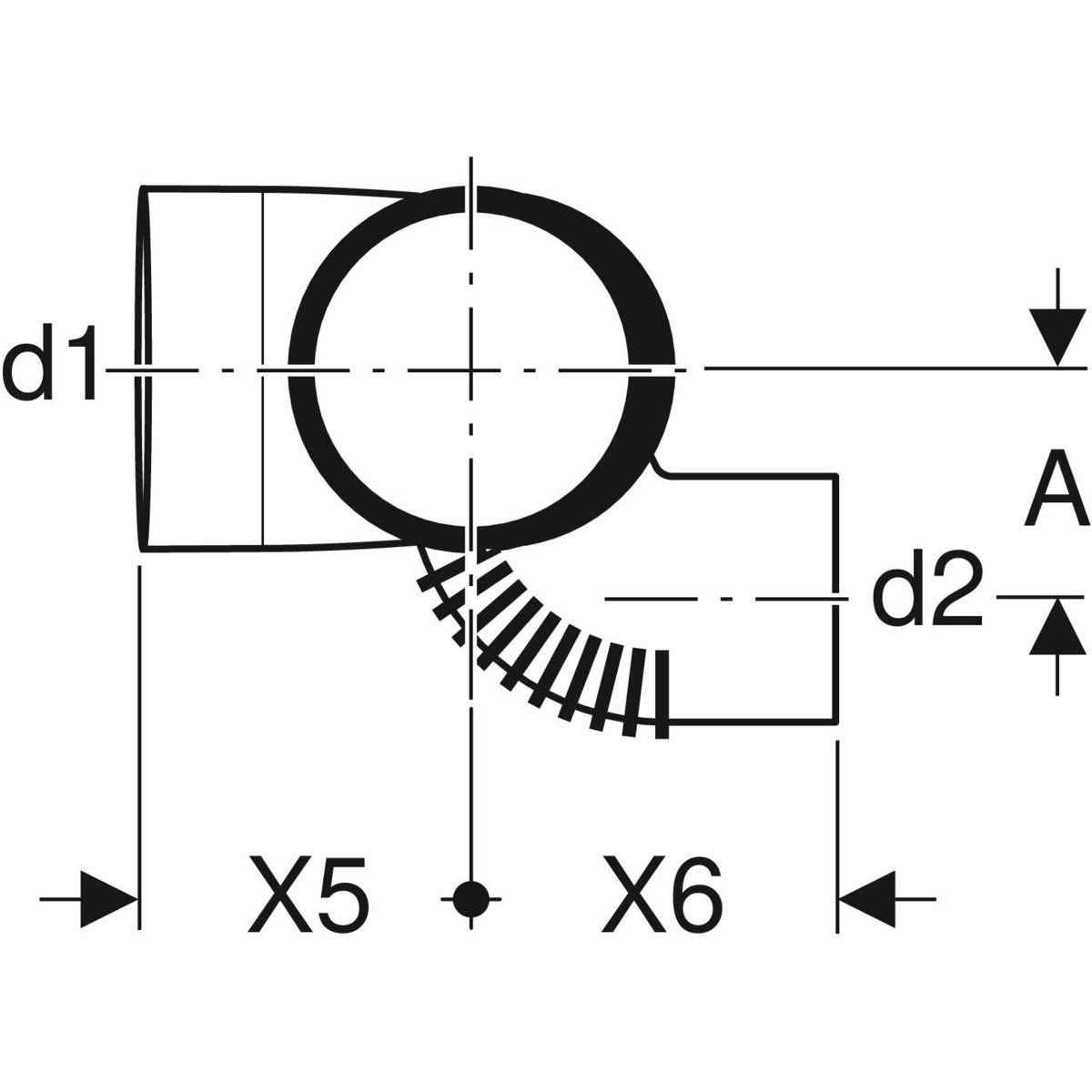
Czwórnik odsadzkowy Geberit Silent-db20 88,5st. d110/110/75mm lewy
Dane techniczne
-
MateriałStal CrNiMo 1.4401 (EN 10088)
Zastosowanie
- Do zimnej i ciepłej wody
- Do wody chłodzącej i grzewczej bez środka zapobiegającego zamarzaniu
- Do wody chłodzącej i grzewczej ze środkiem zapobiegającym zamarzaniu
- Do wody ciepłowniczej ≤ 120 °C
- Do pary nasyconej ≤ 120 °C
- Do wody produkcyjnej i procesowej
- Do uzdatnionej wody
- Do wody deszczowej o współczynniku pH > 6,0
- Do ścieków szarych i czarnych o współczynniku pH > 6,0
- Do wody gaśniczej (mokro)
- Do tryskacza (mokro)
- Do chemikaliów i płynów technicznych
- Do sprężonego powietrza (klasa czystości oleju 0–3)
- Do podciśnienia
- Do gazów obojętnych (np. azot)
- Do gazów przemysłowych (np. acetylen, gazy ochronne do spawania)
- Do instalacji domowych, w przemyśle i budownictwie okrętowym
Właściwości
- Wskaźnik zaciśnięcia
- Połączenie szczelne dopiero po zaprasowaniu
- Uszczelka z CIIR czarna
- Mufa zaprasowywana z przezroczystą zaślepką ochronną
Do pobrania
Dane logistyczne
Opakowanie zbiorcze 1
Jednostka zbiorcza opak.
opak
Ilość
10
Masa brutto [kg]
11,944
Długość [m]
0,583
Szerokość [m]
0,393
Wysokość [m]
0,419
Opakowanie zbiorcze 2
Jednostka zbiorcza opak.
paleta
Ilość
80
Masa brutto [kg]
117,52
Długość [m]
1,2
Szerokość [m]
0,8
Wysokość [m]
0,945







