Instalatorze, możesz zamówić kotły Vaillant ecoTEC pro za punkty PIK!
 

CONNECT AIR BAT. UMYWAL. GRANDE B/K B/S

Kod IK

K9A7016AA

Kod EAN

4015413341936

Kod producenta

A7016AA

Marka

IDEAL STANDARD

Model

CONNECT AIR

Cena katalogowa netto

1 057 zł / szt.

Cena katalogowa brutto

1 300,11 zł / szt.

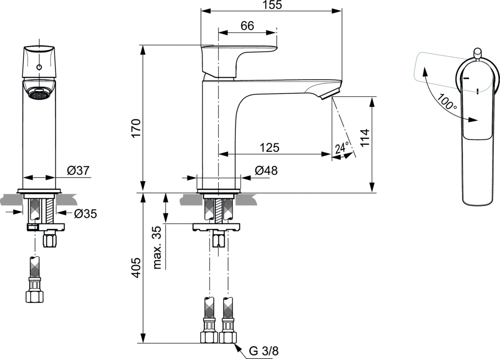
Smukły metalowy korpus typu Grande, wyższy korpus i dłuższa wylewka
Technologia Blue Start
Metalowy uchwyt z oznaczeniem wody ciepłej i zimnej
Bez korka
Aerator Perlator M24x1 - 5l/min
Głowica ceramiczna 25 mm
Klasa akustyczna 1
Wężyki przyłączeniowe PEX G3/8"
System montażu EASY-FIX
Zgodna z EN817
Najważniejsze cechy i zalety:
Technologia BlueStart®
System Easy-Fix
Oszczędność wody – maks. przepływ 5 l/min