CM5-6 O-R-I-E-AQQE C1-A-A-N
CM 5-6 O-R-I-E-AQQE C1-A-A-N
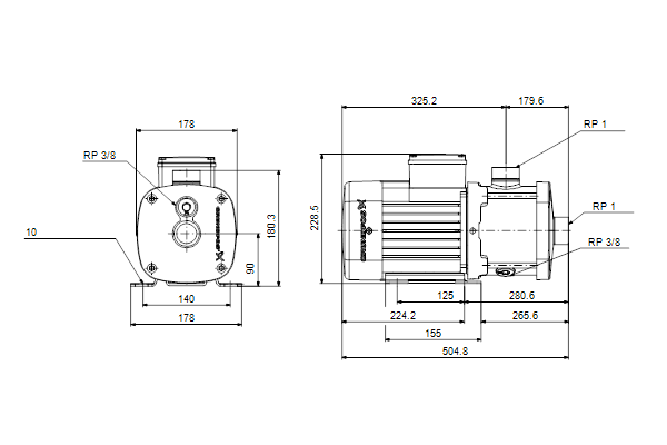
Kompaktowa, niezawodna, pozioma, wielostopniowa pompa odśrodkowa z osiowym wlotem i króćcem ssawnym oraz promieniowym króćcem tłocznym. Jest to pompa samozasysająca i osiąga wysokość ssania do 8 m m. Części pompy będące w kontakcie z cieczą wykonane są ze stali nierdzewnej. Mechanicznym uszczelnieniem wału jest specjalnie zaprojektowane, nieodciążone uszczelnienie z O-ringiem. Przyłączenie rurociągów odbywa się za pomocą wewnętrznych gwintów rurowych Whi
Dane logistyczne
Opakowanie zbiorcze 1
Jednostka zbiorcza opak.
warstwa
Ilość
6
Masa brutto [kg]
165,576
Długość [m]
1,2
Szerokość [m]
0,8
Wysokość [m]
0,293
Opakowanie zbiorcze 2
Jednostka zbiorcza opak.
paleta
Ilość
18
Masa brutto [kg]
496,728
Długość [m]
1,2
Szerokość [m]
0,8
Wysokość [m]
1,035








