CM5-3 A-R-G-E-AQQE C1-A-A-N
CM 5-3 A-R-G-E-AQQE C1-A-A-N
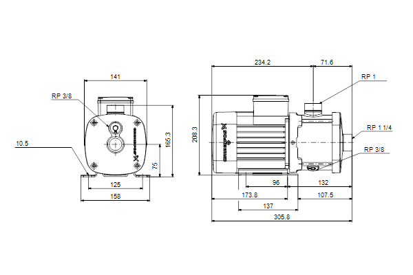
Kompaktowa, niezawodna, pozioma, wielostopniowa pompa odśrodkowa z osiowym wlotem i króćcem ssawnym oraz promieniowym króćcem tłocznym. Części pompy będące w kontakcie z cieczą są wykonane ze stali nierdzewnej wysokiej jakości. Mechanicznym uszczelnieniem wału jest specjalnie zaprojektowane, nieodciążone uszczelnienie z O-ringiem. Przyłączenie rurociągów odbywa się za pomocą wewnętrznych gwintów rurowych Whitwortha, Rp (ISO 7/1).
Pompa jest wyposażo
Dane logistyczne
Opakowanie zbiorcze 1
Jednostka zbiorcza opak.
warstwa
Ilość
9
Masa brutto [kg]
134,019
Długość [m]
1,2
Szerokość [m]
0,8
Wysokość [m]
0,25
Opakowanie zbiorcze 2
Jednostka zbiorcza opak.
paleta
Ilość
27
Masa brutto [kg]
402,057
Długość [m]
1,2
Szerokość [m]
0,8
Wysokość [m]
0,906








