Instalatorze, możesz zamówić kotły Vaillant ecoTEC pro za punkty PIK!
 

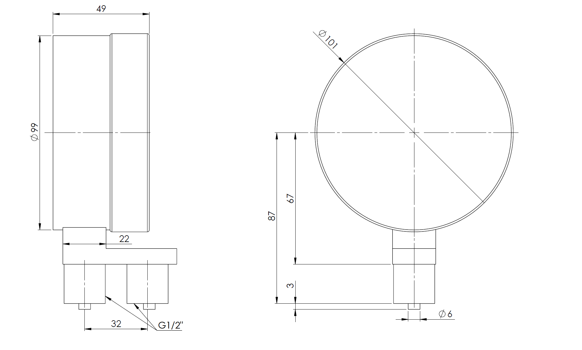
Ciśnieniomierz różnicowy AFRISO KP Dif D411 0/10 mbar mosiądz G1/2B aksjalne fi 100, kl. 1.6%

Kod IK

8035564411

Kod EAN

4049827009793

Kod producenta

35564411

Marka

AFRISO

Model

KP Dif D411

Cena katalogowa netto

Na zapytanie

Przeznaczony do pomiaru różnicy ciśnienia gazów suchych, nieagresywnych.

Filmy

Dane techniczne

Klasa dokładności wg EN

1.6%

Materiał przyłącza procesowego

Mosiądz

Miejsce połączenia

aksjalne

Rozmiar przyłącza procesowego

G1/2B

Zakres skali (w barach)

0/10 mbar

Średnica obudowy

100

Wydarzenia - AFRISO