Instalatorze, możesz zamówić kotły Vaillant ecoTEC pro za punkty PIK!
 

Ciśnieniomierz różnicowy AFRISO KP Dif D401 0/10 mbar mosiądz G1/2B radialne fi 100, kl. 1.6%

Kod IK

8035564401

Kod EAN

4049827009786

Kod producenta

35564401

Marka

AFRISO

Model

KP Dif D401

Cena katalogowa netto

Na zapytanie

Przeznaczony do pomiaru różnicy ciśnienia gazów suchych, nieagresywnych.

Filmy

Dane techniczne

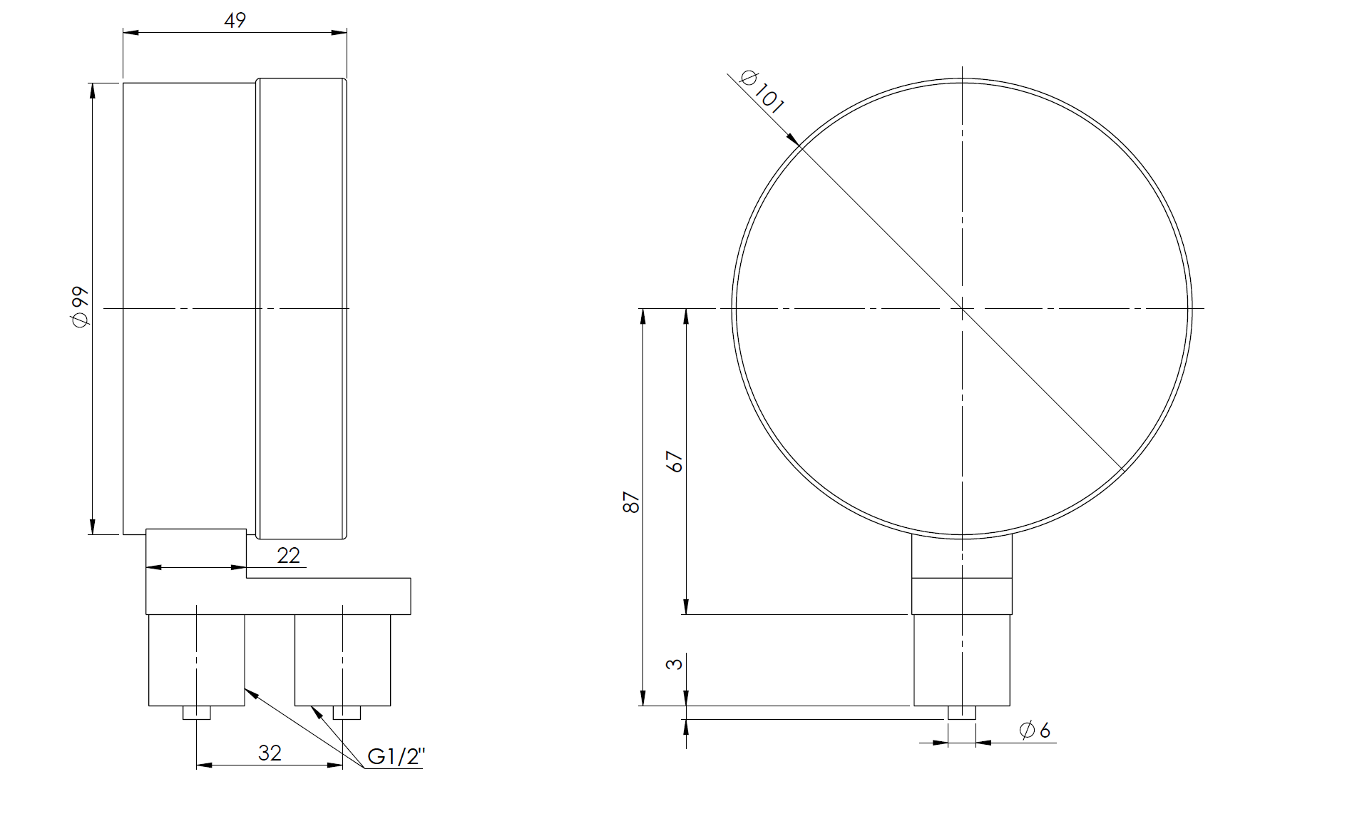
Klasa dokładności wg EN

1.6%

Materiał przyłącza procesowego

Mosiądz

Miejsce połączenia

radialne

Rozmiar przyłącza procesowego

G1/2B

Zakres skali (w barach)

0/10 mbar

Średnica obudowy

100

Wydarzenia - AFRISO