Bateria zlewozmywakowa stojąca KFA Armatura SELEN, obrot. wylewka, kolor chrom, mosiądz
Bateria selen kuchenna stojąca chrom
Informacje dodatkowe
- Seria: selen
- Klasa: Middle Class
- Norma: PN-EN 817:2008
Parametry techniczne
- Element sterujący: regulator ceramiczny FI35
- Napowietrzacz: jest
- Przepływ wody [l/min]: 12
- Ciśnienie robocze [atm]: 3
- Temperatura wody ['C] maks.: 90
- Grupa akustyczna: II
- Wylewka: obrotowa
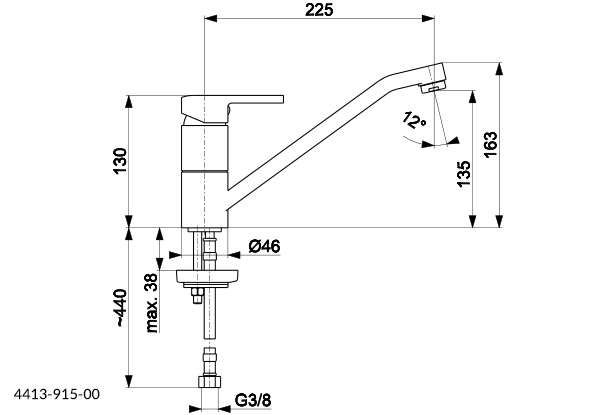
- Długość wylewki [mm]: 225
- Zestaw montażowy: śruba montażowa
Dane techniczne
Akcent kolorystyczny
Chrom
Grupa akustyczna wg DIN-52 218
Grupa II. <=30 dB(A)
Klasa przepływu
A
Kolor podstawowy
Chrom
Liczba otworów do baterii
1 otwór
Liczba uchwytów
1 uchwyt
Maks. przepływ (przy 300 kPa) [l/min]
12
Materiał baterii
Mosiądz
Mechanizm zamykający
Głowica ceramiczna
Model wylewki
Obrotowy górny
Obróbka powierzchni
Polerowanie
Połączenie zasilające
Inne
Rozmiar połączenia zasilającego
3/8 cala
Sposób montażu
Blat / otwór na baterię
Stojąca
Tak
Z uchwytami
Tak
Zabezpieczenie powierzchni
Chromowanie
Do pobrania
Dane logistyczne
Opakowanie zbiorcze 1
Jednostka zbiorcza opak.
opak
Masa brutto [kg]
1,38
Długość [m]
0,32
Szerokość [m]
0,16
Wysokość [m]
0,075








