Zawór zwrotny KFA Armatura 3/4'' gw PN 16
Zawór zwrotny do wody żeliwny 3/4
Informacje dodatkowe
- Kolekcja: zawory zwrotne żeliwne
- Norma: PN-EN-1074-3 / PN-EN 1562
Parametry techniczne
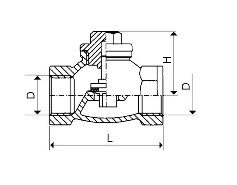
- L [mm]: 70
- PN [bar]: 10
- Powierzchnia: śrutowana
- Przyłączenie: nakrętno-nakrętne
- H [mm]: 42
- Przelot: pełnoprzepływowy
- Wymiar D: 3/4
- Długość [mm]: 70
Dane techniczne
Klasa ciśnienia kołnierza
PN 16
Klasa ciśnienia urządzenia
PN 16
Materiał korpusu
Żeliwo
Materiał obudowy
Żeliwo
Model
Prosty
Nominalna średnica wewnętrzna
3/4''
Rodzaj połączeń
GW
Zabezpieczenie powierzchni
Stan surowy
Do pobrania
Dane logistyczne
Opakowanie zbiorcze 1
Jednostka zbiorcza opak.
opak
Ilość
5
Masa brutto [kg]
1,75
Długość [m]
0,15
Szerokość [m]
0,1
Wysokość [m]
0,07








